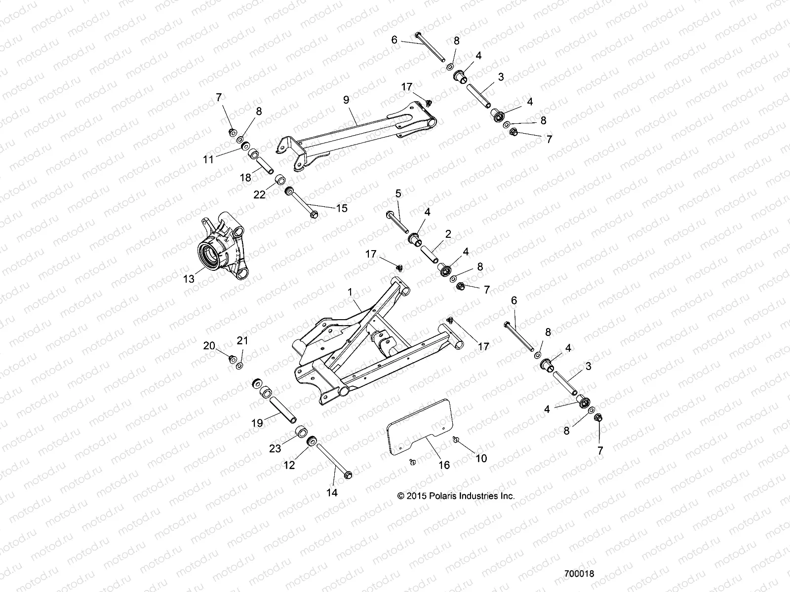
SUSPENSION | SUSPENSION, REAR CONTROL ARMS - Z16VCE87AB/AR/AE/AS (700340)

SUSPENSION | SUSPENSION, REAR CONTROL ARMS - Z16VCE87AB/AR/AE/AS (700340)
1
1021288-385
WELD-A-ARM REAR LWR RH 60 SLV
1
1021288-293
WELD-A-ARM REAR LWR RH 60 RED
1
1021287-385
WELD-A-ARM REAR LWR LH 60 SLV
1
1021287-293
WELD-A-ARM REAR LWR LH 60 RED
2
5138797
SHAFT-PIVOT 70.99MM 15.88OD
3
5138798
SHAFT-PIVOT 107.26MM 15.88OD
4
5439874
BUSHING-STANDARD ORV
5
7519043
SCR-HXFL-M10X1.25X95 10.9 ZOD(
6
7519897
SCR-HH-M10X1.25X140 10.9 ZOD
7
7547333
NUT-M10X1.25 FLG NYLOC-OLIVE D
8
7556153
WASHER 3/8 FW
9
1018821-385
WELD-A-ARM REAR UPR RH 60 SLV
9
1018821-293
WELD-A-ARM REAR UPR RH 60 RED
9
1018820-385
WELD-A-ARM REAR UPR LH 60 SLV
9
1018820-293
WELD-A-ARM REAR UPR LH 60 RED
10
7621467
RIVET BLIND
11
1543611
ASM-PIVOT CAP SEALED M10
12
1543612
ASM-PIVOT CAP SEALED M12
13
5139979
CARRIER-BEARING WHEEL LH
13
5139980
CARRIER-BEARING WHEEL RH
14
7520294
SCR-HXFL-M12X1.5X170 10.9 ZOD
15
7519365
SCR-HXFL-M10X1.25X115 10.9 ZOD
16
5451336-070
SHIELD-CV REAR BLK
17
7080510
FITTING ZERK 90 DEGREE
18
5139990
SHAFT-PIVOT SHORT M10
19
5139991
SHAFT-PIVOT LONG M12
20
7547334
NUT-M12X1.5 FLG NYLOC-OLIVE D
21
7556212
WASHER-7/16 SAE STF THRU-HRD-Y
22
5452233
BUSHING-STANDARD SUSP M10
23
5452271
BUSHING-STANDARD SUSP M12

Узлы для