BODY | BODY, FUEL TANK - Z16VCE87AB/AR/AE/AS (49RGRFUEL15RZR900)

BODY | BODY, FUEL TANK - Z16VCE87AB/AR/AE/AS (49RGRFUEL15RZR900)
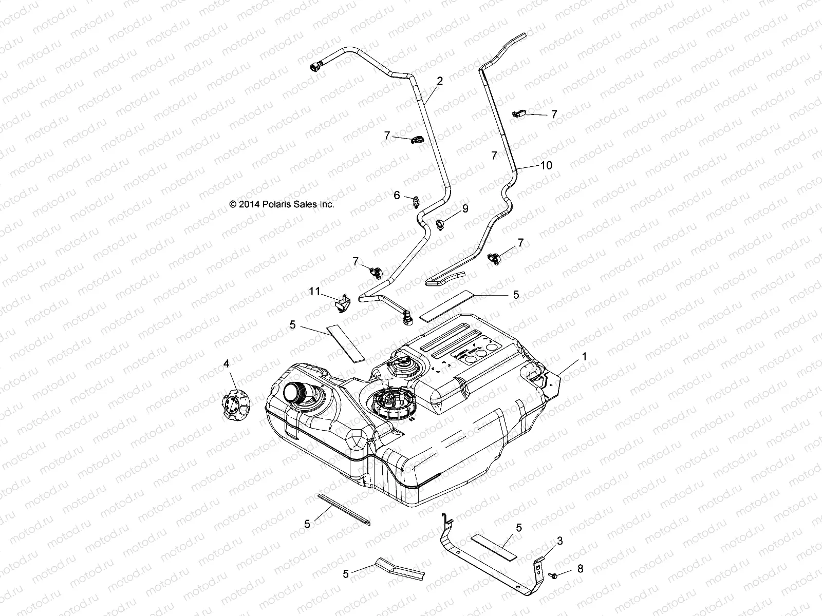
1
2522377
ASM-FUEL TANK MIOP
1
2208591
K-FUEL PUMP
2
2521417
ASM-FUEL LINE
3
5259555-329
STRAP-FUEL TANK BLK
4
5439075
Fuel cap
5
5810290
PAD BATTERY
6
7081496
CLIP-ROUTING
7
7081871
CLIP-HARNESS 3-13MM INTERLCK
8
7518529
SCR-M6X1.0X20 HXHD FLG TDFM BL
9
7670116
CLIP ROUTING .472 B.D. HINGED
10
8450040-142
FUEL LINE 1/4SAE #30R7 142CM
11
7670109
CLIP-ROUTING

Узлы для