SUSPENSION | SUSPENSION, FRONT STRUT - L17U2NAEFA/EMA/FLA (300131)

SUSPENSION | SUSPENSION, FRONT STRUT - L17U2NAEFA/EMA/FLA (300131)
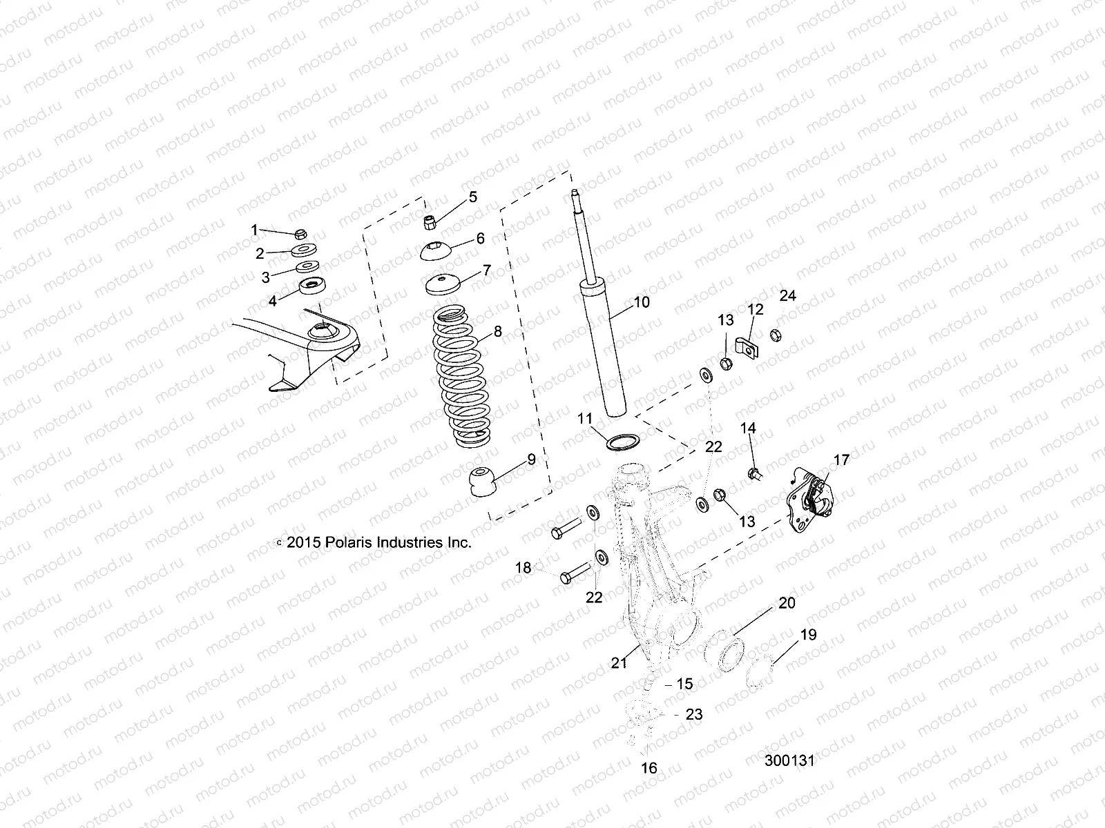
1
7547104
NUT
2
7555749
Rondelle
3
5810291
SPACER RUBBER
4
5432872
PIVOT BALL TOP
5
5132062
SPACER-1/2-20
6
5432871
PIVOT BALL BOTTOM
7
5243364
RETAINER-SPRING
8
7044287-458
SPRING-FRONT BLK
9
5412665
BUMPER-MCU 17.8MM ID
10
7044075
STRUT-FRONT
11
5211115
Rondelle
12
7080367
CLAMP CABLE
13
7542324
Nut (SELF-LOCKING)
14
7518558
BOLT-M10X1.25X20 HXFLG-OLV D
15
7061158
BALL-JOINT GREASELESS STRUT
16
7512284
BOLT SOCKET
17
LR--
CALIPER, BRAKE, RH
18
7512312
Vis
19
7710507
RING RET. 2.500 INTERNAL
20
3514634
BEARING-WHEEL 35X64X37MM
21
1823717
ASM-HUBSTRUT RH
21
1823716
ASM-HUBSTRUT LH
22
7558402
WASHER FLAT
23
5211121
BRKT BALL JOINT
24
7542344
Nut (SELF-LOCKING)

Узлы для