BRAKES | BRAKES, CALIPER, FRONT - L17U2NAEFA/EMA/FLA

BRAKES | BRAKES, CALIPER, FRONT - L17U2NAEFA/EMA/FLA
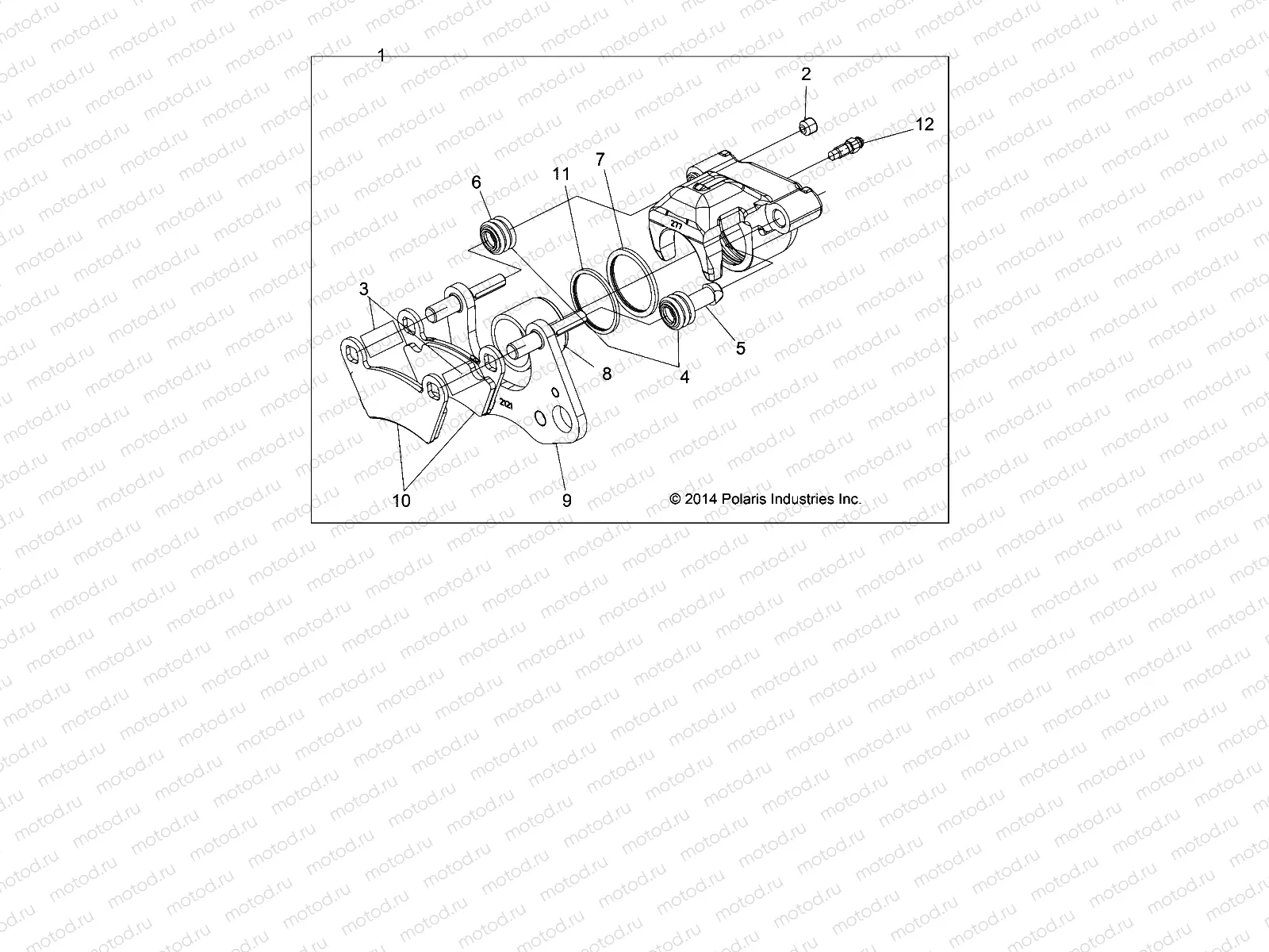
1
1912616
ASM-CALIPER BRK 1.5 LH FRT MET
1
1912617
ASM-CALIPER BRK 1.5.RH FRT MET
2
7518863
SCR-M10X1.0X8 SOC SET-OD
3
7043649
SPRING-COMP SS .506X.546
4
1930642
KIT BOOT FRONT BRAKE
5
5412505
BOOT-PIN BUSHING
6
5412506
BOOT-PIN SEAL
7
5412010
SEAL-CALIPER INNER 1.50
8
5132829
PISTON-BRAKE 1.500
9
1912121
ASM-CALIPER MNT FRONT 1.5 MET
10
2206255
Plaquette de frein
12
7081343
SCR-M7X1.0 BLEEDER OLIVE D

Узлы для