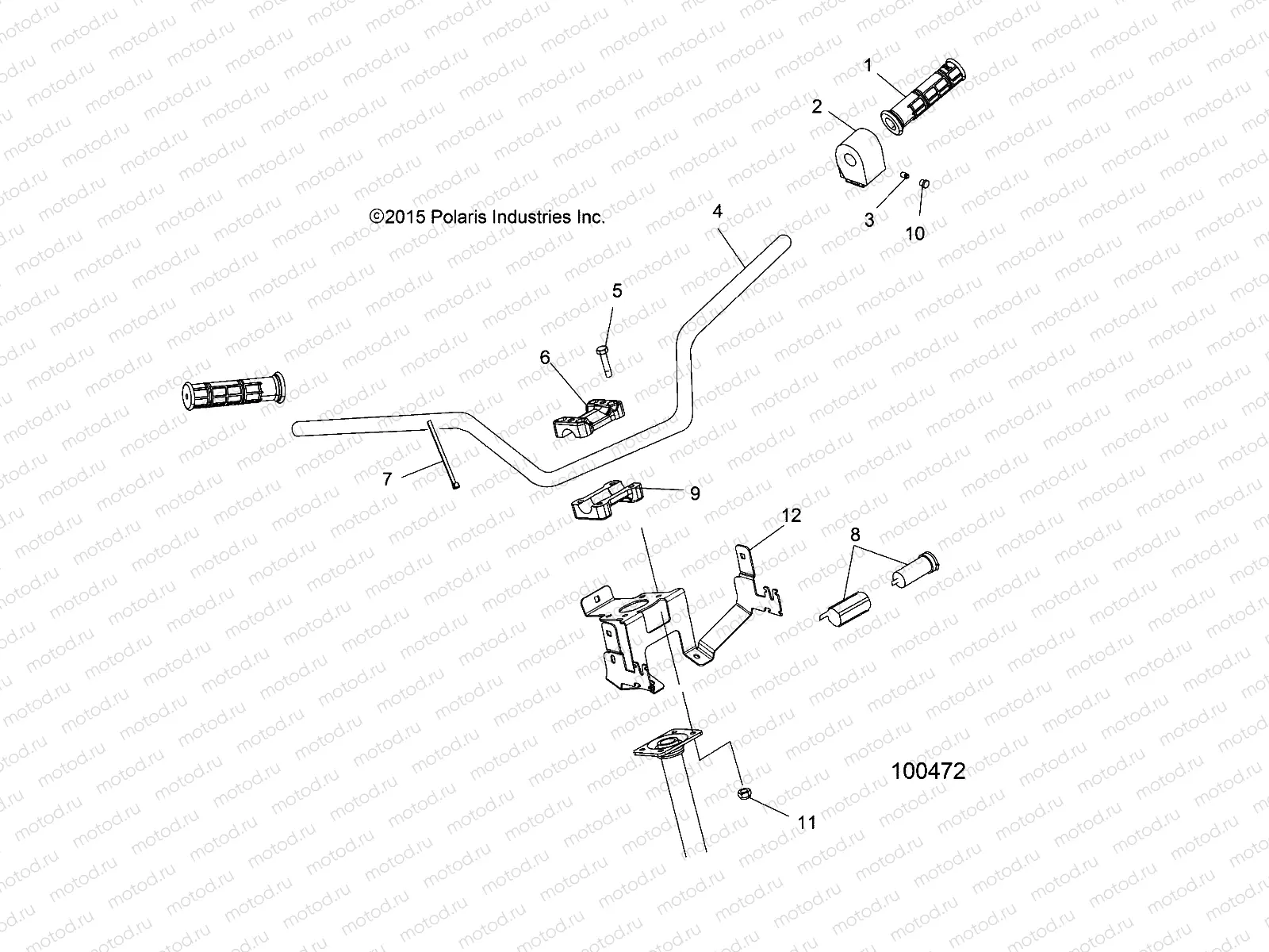
STEERING | STEERING, HANDLEBAR and CONTROLS - A19SEF57D5 (100472)

STEERING | STEERING, HANDLEBAR and CONTROLS - A19SEF57D5 (100472)
1
5413578-070
GRIP-HANDLEBAR BLK
2
4019044
CONTROL-LH HI/LO/OFF
3
7517625
SCREW SET
4
5340797-067
TUBE-HANDLEBAR ATV SINGLES BLK
5
7515189
Vis
6
5631972
BLOCK-HANDLEBAR PEG 89 ID
7
7080138
CABLE TIE
8
4010638
RECEPTACLE-POD MNT 12 VOLT
9
5631973
BLOCK-HANDLEBAR .89 ID
10
5432952
PLUG HOLE
11
7542122
NUT-NYLOK
12
5259236
BRKT-POD MOUNTING

Узлы для