ELECTRICAL | ELECTRICAL, SWITCHES, SENSORS and ECM - A19SEF57D5

ELECTRICAL | ELECTRICAL, SWITCHES, SENSORS and ECM - A19SEF57D5
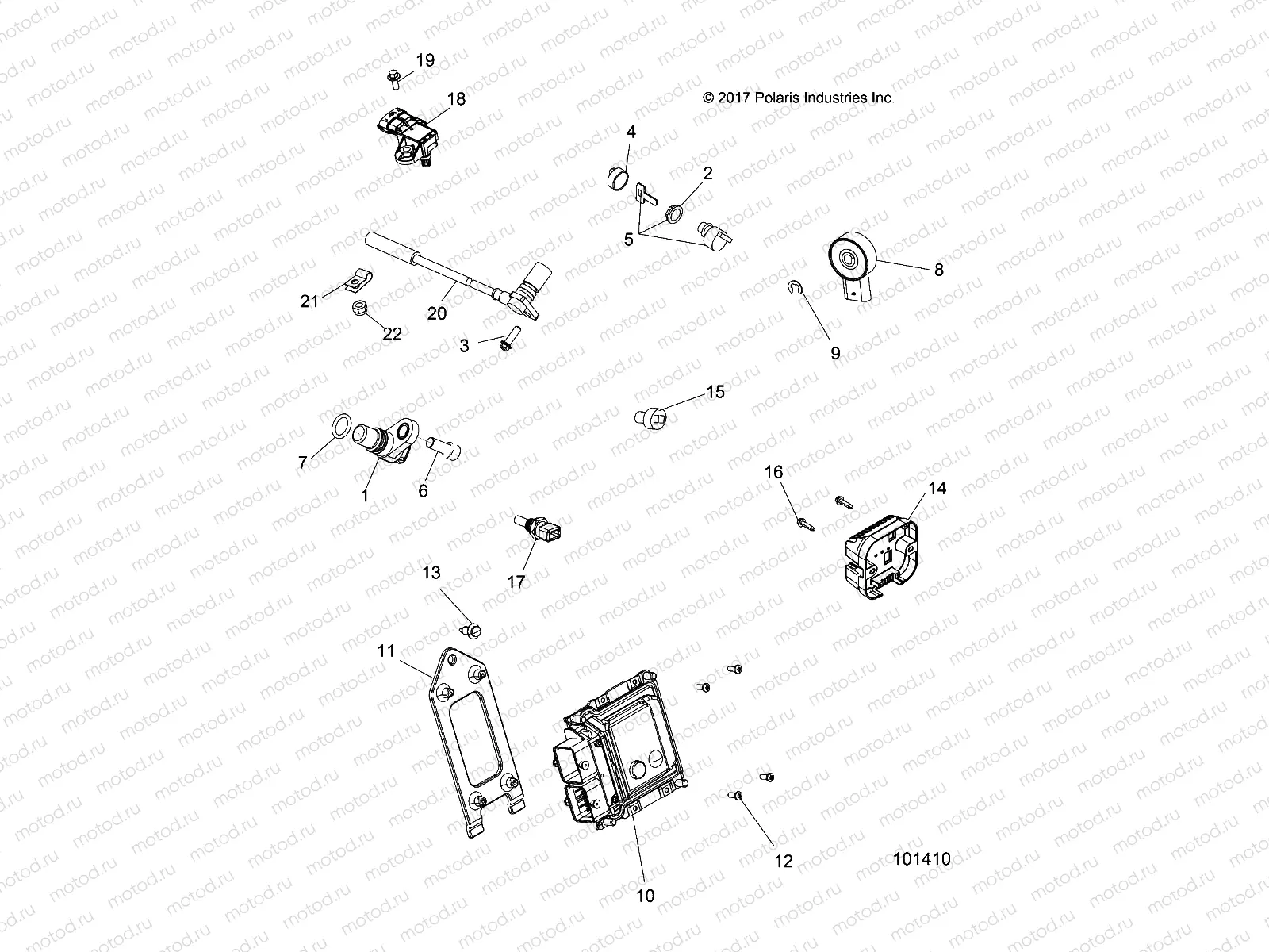
1
4013908
SENSOR-SPEED TRANS
2
5433733
NUT IGNITION SWITCH
3
7518576
SCR-M6X20 HXFLG 0600214
4
5433534
KEY COVER-KEYSWITCH
5
4012165
SWITCH-KEY 3 POS MT SLV
5
4010278
Clé Vierge
5
4015033
SWITCH-KEY 3 POSITION SEALED
5
4010321
Clé Vierge
6
3234247
SCREW TAPPINGHEXHEAD1/4-20X.75
7
3234302
O-RING -113
8
7661999
PIN-GEAR POSITION SWITCH
9
3233834
RING-RETAINING
10
4014125
ECM-NO START ME17
11
5438708-070
MNT-ECM REAR BLK
12
7519091
SCR-#10X1/2-HI/LO-PN-T25 TRX-M
13
7661855
RIVET-TUFLOK .315-.325X.787 (5
14
4016868
REGULATOR-3PH 50A SERIES HISPD
15
4015069
SWITCH-BRK 1/8-27 NPTF SEALED
15
4017278
SWITCH-BRK M10X1.25 SGL NO RES
16
7515179
Vis
17
4010644
SENSOR-THERMISTER
18
2411528
SENSOR-TMAP DSS3-TF
19
7516603
BOLT(1)
20
2411719
SENSOR-CRANK POSITION
21
7080367
CLAMP CABLE
22
7542343
NUT FLANGE

Узлы для