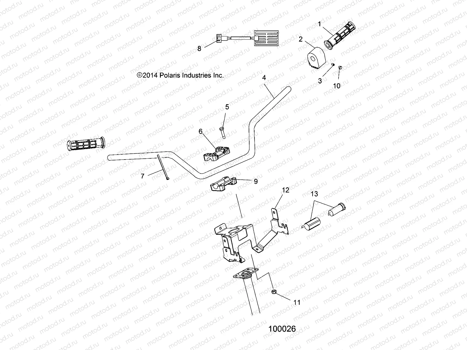
STEERING | STEERING, HANDLEBAR and CONTROLS - A17SHD57A9/AG/E57AS/E57AL (100026)

STEERING | STEERING, HANDLEBAR and CONTROLS - A17SHD57A9/AG/E57AS/E57AL (100026)
1
5413578-070
GRIP-HANDLEBAR BLK
2
4019044
CONTROL-LH HI/LO/OFF
3
7517625
SCREW SET
4
5244581-067
TUBE HNDLBR BLK
5
7515189
Vis
6
5631972
BLOCK-HANDLEBAR PEG 89 ID
7
7080138
CABLE TIE
8
2410567
ASM-HAND WARMER ATV
9
5631973
BLOCK-HANDLEBAR .89 ID
10
5432952
PLUG HOLE
11
7542122
NUT-NYLOK
12
5259236
BRKT-POD MOUNTING
13
4010638
RECEPTACLE-POD MNT 12 VOLT

Узлы для