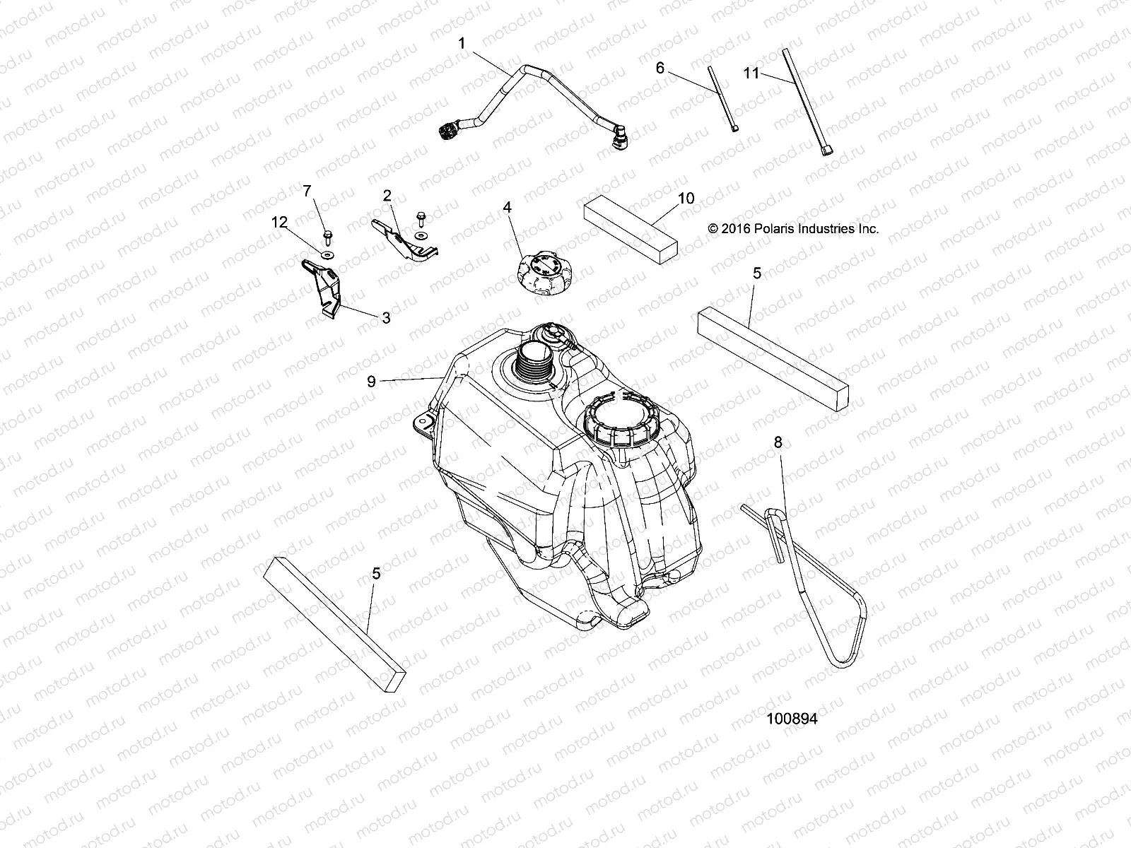
BODY | BODY, FUEL TANK ASM. - A17SHD57A9/AG/E57AS/E57AL (100894)

BODY | BODY, FUEL TANK ASM. - A17SHD57A9/AG/E57AS/E57AL (100894)
1
2521664
ASM-FUEL LINE HARD
2
5452276
BRKT-SEAT BASE CAB MNT PP LH
3
5452277
BRKT-SEAT BASE CAB MNT PP RH
4
5439075
Fuel cap
5
5813255
FOAM-SEAL 1.5 X 12
6
7080138
CABLE TIE
7
7515179
Vis
8
8450040-600
LINE FUEL 1/4 ID(600 CM.)
9
2208126
FUEL PUMP SERVICE KIT ATV 1UP
9
2521713
ASM-FUEL TANK 570 EFI
10
5813265
FOAM-COVER
11
7080761
CABLE TIE 14
12
7555960
WASHER FLAT

Узлы для