Spring strut, rear

Spring strut, rear
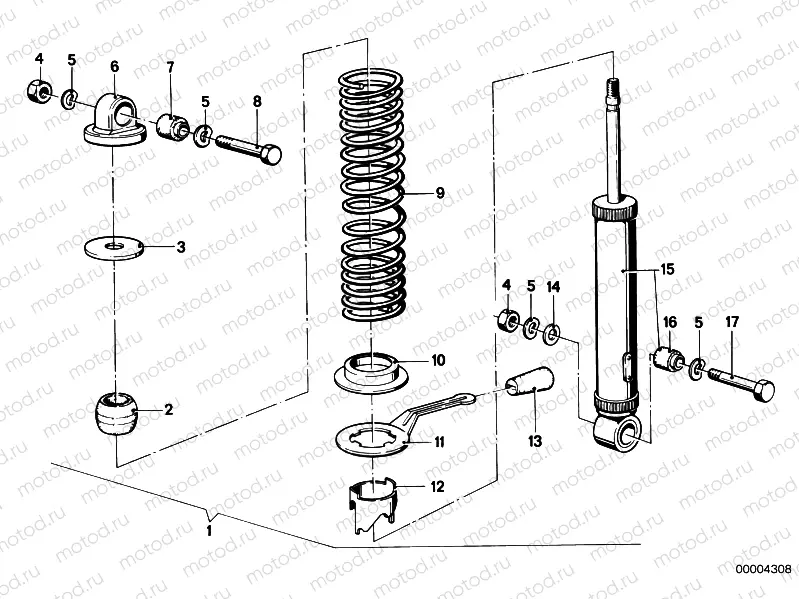
1
33531237505
REAR LEFT SPRING STRUT
1
33531237228
REAR RIGHT SPRING STRUT
1
33531237506
REAR RIGHT SPRING STRUT
1
33531237227
REAR LEFT SPRING STRUT
2
33531230280
Stopper
4
07119915558
Nut
4
07119901301
Nut
4
07129922436
Nut (Self-locking)
4
07119901301
Nut
5
07119904463
WAVE WASHER
5
07119904463
WAVE WASHER
7
33532301586
Rubber Mounting
8
07119901169
Vis
9
33531237586
Compression spring
9
33531237286
Compression spring
10
33531230282
GUIDE RING
11
33531230363
NOTCH LEVER
12
33531230273
Catch, right
12
33531230272
Catch, left
13
33531230359
Handle
15
33531237289
Amortisseur arrière (HD-SUSPENSION)
15
33531240647
Amortisseur arrière
16
33531230258
Rubber Mounting
17
33531230249
Vis

Узлы для