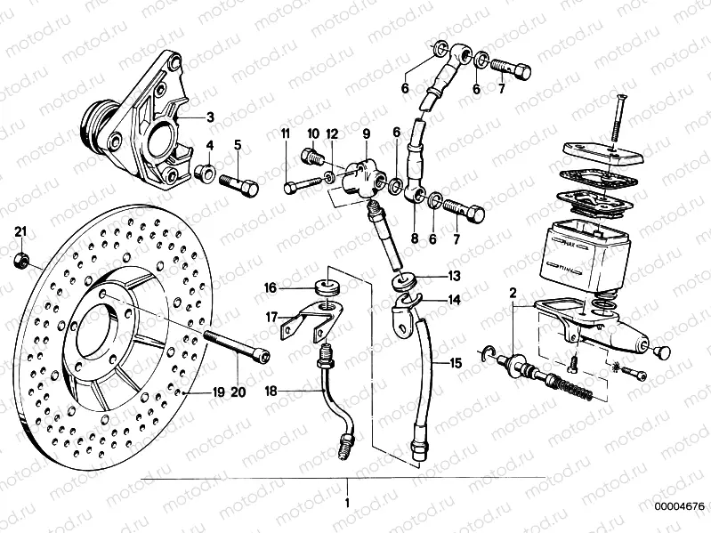
Retrofit kit, double disc brake

Retrofit kit, double disc brake
1
34119056143
 Retrofit kit, double disc brake
1
34119056141
 Retrofit kit, double disc brake
2
32722302370
CYLINDER WITH PISTON
3
34111237258
 Caliper right
3
34111238070
CALIPER RIGHT
4
34111238081
Sleeve
4
34112301735
Sleeve
4
34112301736
Sleeve
4
34111238080
Sleeve
4
34111238079
Sleeve
5
07119901049
Vis (Torx)
6
07119963072
Gasket ring
7
34321242205
HOLLOW BOLT
8
34321242904
Durite de frein
9
34321239830
DISTRIBUTION PIECE
10
34321236790
Screw plug
11
07119913589
Vis
12
07119904202
Rondelle
12
07119904202
Rondelle
12
07119904202
Rondelle
13
34321237259
Damper
14
34321237255
Collier
15
34321239823
Durite de frein
16
34321236462
Damper
17
34321237256
Collier
18
34321238258
BRAKE PIPE RIGHT
19
34111236005
Disque de frein
20
33179901038
Fillister-head screw
21
07129904002
Nut
21
07129904002
Nut

Узлы для