REAR SUSPENSION

REAR SUSPENSION
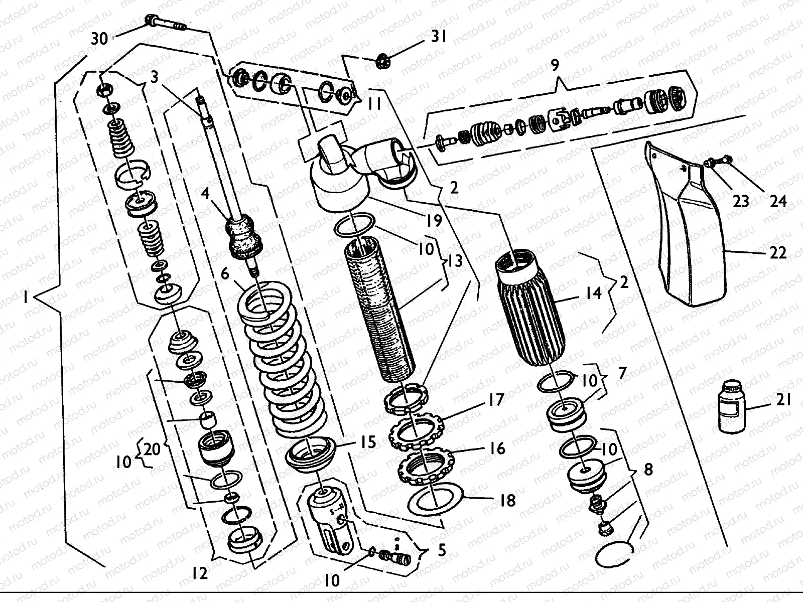
1
8000A4313
mortisseur arrière
2
8000A3644
DAMPER CASE ASSY
3
8000A4406
ROD ASSY
4
800091238
Damper
5
8000A3646
FORK ASSY
6
800098520
SPRING, SHOCK ABSORBER K=6.4 K
7
800098490
DIAPHRAGM,VALVE
8
800098491
TANK
9
800098492
ADJUSTER SET
10
8000A3647
OVERHAUL SET, REAR SHOCK ABSOR
11
800089089
BALL JOINT ASSY
12
8000A3648
GUIDE ROD ASSY
13
8000A3649
DAMPER, SUB ASSY
14
8000A3650
TANK, SHOCK ABSORBER
15
800098496
CUP
16
800098497
RING NUT
17
800098498
RING NUT
18
800098499
Rondelle
19
800098503
BRACKET, TANK
20
8000A3651
ROD GASKET SET
21
800080260
FORK OIL
22
80A069551
COVER, SHOCK ABSORBER
23
Z00069429
BUSH
24
8A00A3762
Vis
30
ZA0062797
Vis
31
Z00042022
Nut (Lock M10)

Узлы для