REAR SUSPENSION

REAR SUSPENSION
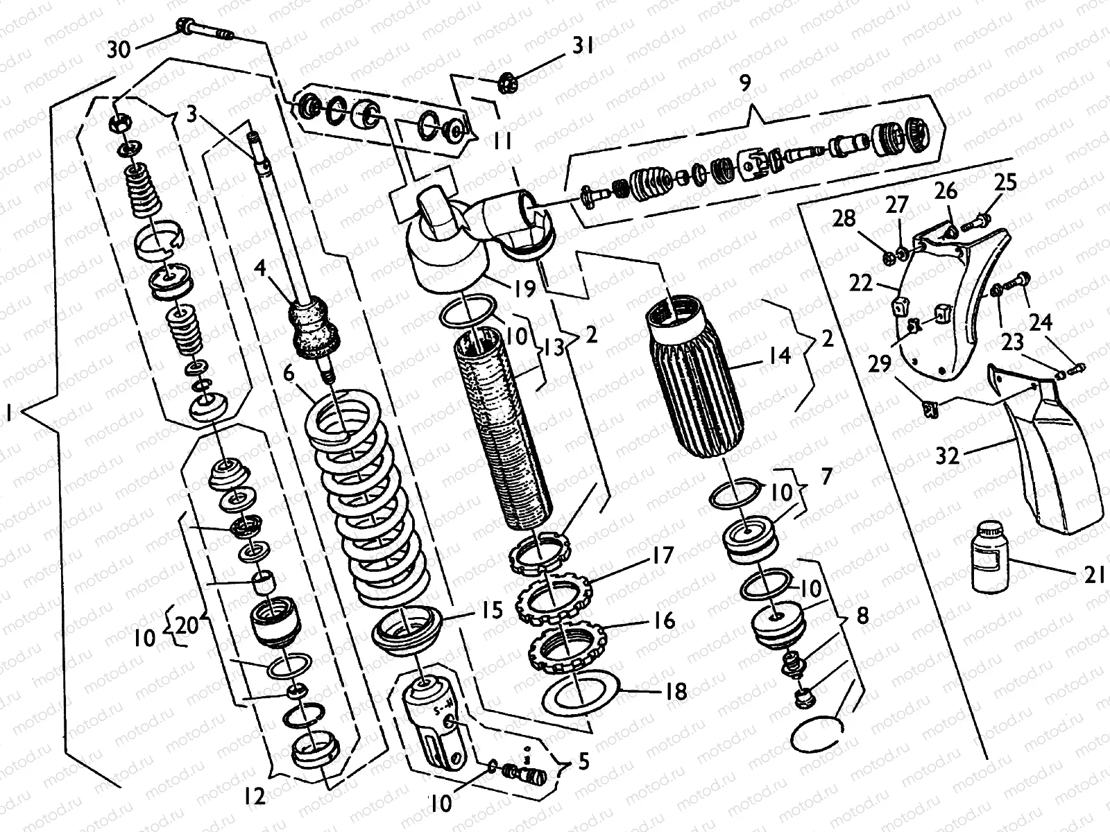
1
800097590
STRUT ASSY, REAR SUSPENSION
1
800097049
STRUT ASSY, REAR SUSPENSION
2
800098512
DAMPER CASE ASSY
3
800098519
ROD ASSY
3
800098513
ROD ASSY
4
800091238
Damper
5
800098489
FORK ASSY
6
800098504
SPRING, SHOCK ABSORBER K=5.4 K
6
800098520
SPRING, SHOCK ABSORBER K=6.4 K
7
800098490
DIAPHRAGM,VALVE
8
800098491
TANK
9
800098492
ADJUSTER SET
10
800098493
OVERHAUL SET, REAR SHOCK ABSOR
11
800089089
BALL JOINT ASSY
12
800098494
GUIDE ROD ASSY
13
800098514
DAMPER CASE ASSY
14
800098515
TANK, SHOCK ABSORBER
15
800098496
CUP
16
800098497
RING NUT
17
800098498
RING NUT
18
800098499
Rondelle
19
800098517
TANK SUPPORT
20
800098495
ROD GASKET SET
21
800080260
FORK OIL
22
800092961
COVER, SHOCK ABSORBER
23
Z00069429
BUSH
24
Z00062727
Vis
25
8A0067545
Vis
26
800072268
SPACER 9X6.4X20
27
800056359
Rondelle
28
Z00044240
Nut (Lock)
29
U00046893
Clip nuts (M6x1)
30
8D0062797
SCREW TE M10X1.25X47 CH14
31
Z00042022
Nut (Lock M10)
32
80A069551
COVER, SHOCK ABSORBER

Узлы для