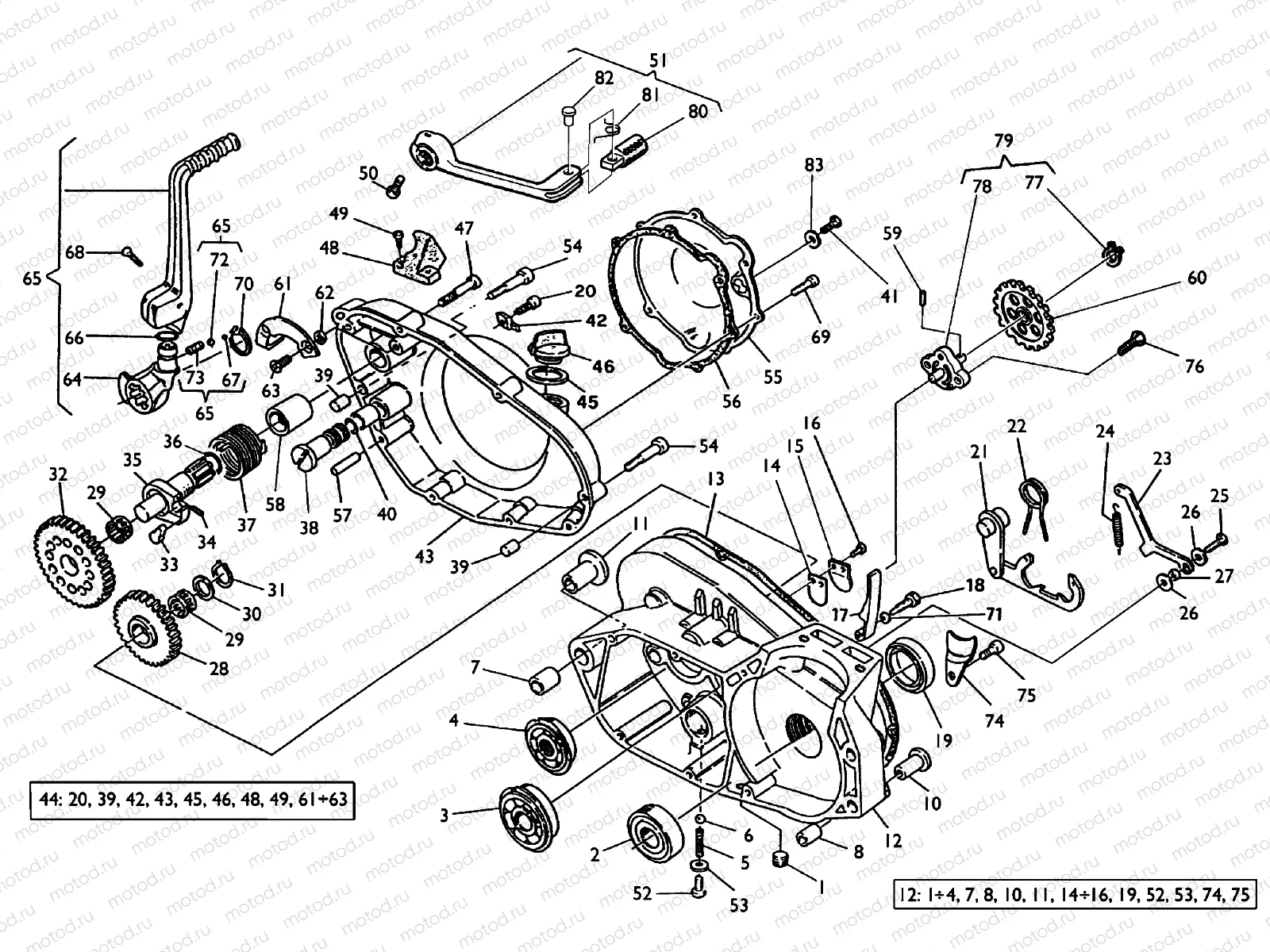
CRANKCASE CARTER L.H.

CRANKCASE CARTER L.H.
1
SPMV800069769
2 pc - CONICAL PLUG EI M14X1
2
8A0028182
Roulement (30x72x19)
3
800059975
Roulement
4
800059976
Roulement (17x47x14)
5
800061263
Spring
6
800060476
STEEL BALL
7
161459002
BUSH 22X17.5X15
8
161077601
BUSH 13X8.5X15
10
161077701
BUSH
11
8B0071154
SPINDLE, TAPER
12
800096874
CRANKCASE SET
13
161165003
GASKET. CRANKCASE COVER
14
161534801
REED VALVE ASSY
15
161510501
CASE, REED VALVE
16
60N102866
SCREW TCI M4X0,7X6
17
800068686
CHAIN TENSIONER ASSY
18
161535902
Vis
19
151372602
OIL SEAL 30X52X7
20
Z00026970
Vis
21
161168601
SELECTOR
22
161169201
Spring
23
800090054
CLICK
24
161168401
Spring
25
800047422
Vis
26
8A0037003
THRUST WASHER THICK. 0,50
27
161121601
BUSH
28
161127101
IDLE GEAR T25
29
800040449
Needle bearing
30
8F0038110
WASHER 24X16.5X1.0 MM
30
8B0038110
WASHER 24X16.5X0.5 MM
30
800038110
WASHER 24X16.5X0.3 MM
31
66N021205
Seegerring
32
161539101
STARTING GEAR T35
33
161168001
CLICK
34
161168101
Spring
35
161167702
Kick starter shaft
36
800060475
O-Ring
37
161636201
Spring
38
161174601
SHAFT, GEARBOX PEDAL
39
161170801
BUSH
40
800060474
O-Ring
41
800035099
Oil level screw
42
800068710
LEVER RUBBER
43
8AA067194
Couvrir
44
8C0075764
LEFT SIDE COVER ASSY
45
800027960
Rondelle
46
800036786
Remplissage d’huile de bouchon
47
60N102512
Vis
48
800068584
PAD
49
60N102900
SCREW 5X14
50
60ND02509
Vis
51
800092944
LEVER, GEAR SHIFTING
52
800066101
Vis
53
SPMV800047763
10 pc - WASHER, DE COBRE 17,9x14,2x1,5
54
60N102513
ALLEN SCREW M6X1X40
55
80A096889
CLUTCH COVER, OUTER
56
8A0096890
Gasket - clutch cover
57
800060477
REFERENCE DOWEL
58
161446901
BUSHING KICKSHAFT
59
8C0027690
ROLLER
60
800090052
OIL PUMP GEAR
61
161170401
PLATE
62
161170601
Entretoise
63
800060577
SCREW TSEI M6X1X20
64
800068174
BOSS, KICK STARTER
65
800084321
Kick starter lever
66
800031271
O-Ring
67
161108501
Plug
68
800058140
Vis
69
60N107335
Vis
70
66N021208
Seeger
71
800045194
WASHER 14X8.2X1
72
800060472
STEEL BALL D. 6
73
161108401
Spring
74
800061269
PLATE
75
60N102504
Vis
76
800060577
SCREW TSEI M6X1X20
77
800090057
CIRCLIP
78
800089829
Pompe à huile
79
800090056
Pompe à huile
80
800070215
PEDAL
81
800070216
Spring
82
800070217
RIVET
83
SPMV800064988
ELF CENTERING WASHER D11-D6.1

Узлы для