INTAKE MANIFOLD » INTAKE, CARBURETTOR

INTAKE MANIFOLD » INTAKE, CARBURETTOR
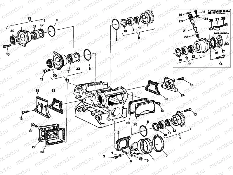
1
14020062A
Pipe d’admission
2
78810022A
pc - Intake manifold Gasket
3
77650328A
Vis (M5x8)
4
025070223
10 pc - Rondelle
5
74941118B
Nut
6
76640191A
pc - Stud bolt
7
74140601A
2 pc - Collier
8
88640011A
pc - O-Ring
9
23520021AA
CAP
10
735033380
Seeger
11
757941542
Roulement
12
93040331A
.OIL SEAL
13
77150658B
Vis
14
77110471A
pc - Vis
15
23520011AA
REVOLUTION COUNTER CAP
16
78810091A
Gasket
17
24710041AA
COVER REV.-COUNTER
18
77150638B
pc - Vis
19
93040021A
OIL SEAL
20
71110201A
BUSH
21
88640431A
O-Ring
22
30620011A
REVOLUTION COUNTER GEARS
23
78810104A
5 pc - .COVER GASKET
24
24710053AA
CENTRAL COVER
25
78810073A
2 pc - Joint de couvercle de soupape
26
24010011AB
COVER, INTAKE VALVE
27
24010021AA
EXHAUST VALVE COVER
28
78810083A
2 pc - Joint de couvercle de soupape
29
23520041AA
CAP
30
937832235
.OIL SEAL 22-35-7
31
751201747
Roulement
32
735033683
Seeger
33
23520031AA
CAP
34
82710103A
PLATE
35
24710062AB
CENTRAL COVER TIMING SIDE
36
71312411A
0 pc - Entretoise (6.2X10X7)
37
83014941B
CLAMP, WIRE
38
77150722B
Vis

Узлы для