HEADLIGHT » LIGHTING SYSTEM

HEADLIGHT » LIGHTING SYSTEM
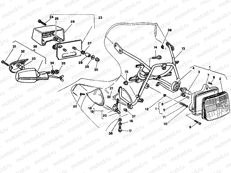
1
52040011A
COMPLETE HEADLIGHT
1
52040031A
HEAD-LIGHT LEFT DRIVE
2
52040011A
COMPLETE HEADLIGHT
2
52040031A
HEAD-LIGHT LEFT DRIVE
3
39040241A
.BULB
4
067538222
RING NUT
5
065938226
.BULB 12V 4W
6
000036231
. BULB SOCKET
7
000042927
RING NUT
9
77340541A
. VITE TC CON INTAGLIO PG DIN 84 CL 4.8
10
85250271A
Rondelle
11
000042932
Spring
12
000043790
Nut
13
82910231DA
HEAD-LIGHT SUPPORT
14
800062733
SCREW TE M8X1.25X35 CH12
15
74940081A
2 pc - Nut
16
85310031A
Rondelle (spring)
17
77150648B
pc - Vis
18
53040011A
Clignotant (Front RH)
19
53040021A
Clignotant
20
079503420
BULB 12V 21W BA15S
21
85040091A
. QUICK FASTENING
22
77510031A
pc - Vis
23
52540031A
Taillight assy.
24
722370895
SCREW TAPPING 3.5X45
25
054074290
BULB 12V 5/21W
26
52640021A
Taillight lens
27
76410841A
Damper
28
082372070
BUSH
29
85211911A
0 pc - Rondelle
30
74950061A
2 pc - Nut
31
800034657
SCREW TAPPING AB 2.9X19-UNI6954-71
33
800036726
.BULB 12V 10W BA15S
34
85250291A
Rondelle
35
74810401A
20 pc - Nut
36
000053703
REAR FLASHING LIGHT
37
74640031A
Nut
38
85211761A
0 pc - Rondelle
39
096091130
Nut

Узлы для