INTAKE DM 7707> » UNCLASSIFIED

INTAKE DM 7707> » UNCLASSIFIED
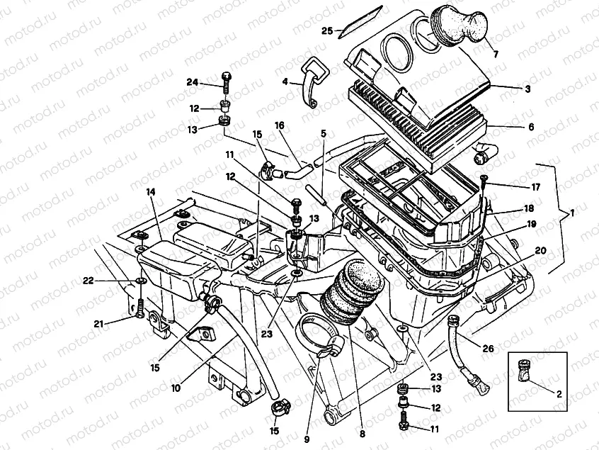
1
44220071A
IR-FILTER HOLDING BOX
2
76410861A
Damper
3
24610463A
FILTER CASE COVER
4
76010031B
.HOOK
5
86250071A
pc - . PIN, SPRING
6
42610091A
Filtre à air
7
13510082A
PIPE
8
80110091A
.SLEEVE
9
74140601A
2 pc - Collier
10
87610473A
.BREATHER PIPE
11
77250231A
pc - Vis
12
000018153
Entretoise
13
76410901A
pc - Damper
14
58510082B
VENT TANK
15
74140021A
pc - Collier
16
87610461B
REATHER PIPE
17
77450021B
pc - Vis
18
44210071A
UPPER HALF-CASE
19
78810271A
pc - Gasket
20
44210091A
LOWER HALF-CASE
21
77052508B
Vis
22
85310031A
Rondelle (spring)
23
85250291A
Rondelle
24
77251038B
Vis (M6x25)
25
037038850
MARKING PLATE
26
87720021A
HOSE, DRAIN

Узлы для