FLOAT CHAMBER HEATING FM 009756 » UNCLASSIFIED

FLOAT CHAMBER HEATING FM 009756 » UNCLASSIFIED
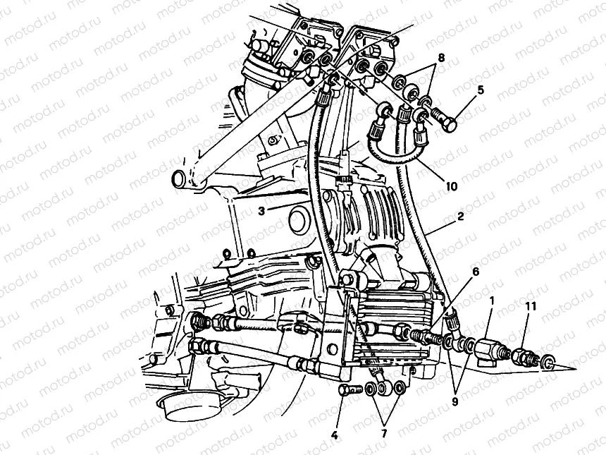
1
58840061B
TAP
2
93310081A
PIPE
3
93310071A
PIPE
4
77910152A
BOLT, OIL HOSE M8X1.00X20
5
78110052A
.FILLER
6
81510111A
UNION
7
42020008A
10 pc - Rondelle
8
85250241A
Rondelle
9
050483060
Gasket
10
93310061A
PIPE
11
81510141A
UNION

Узлы для