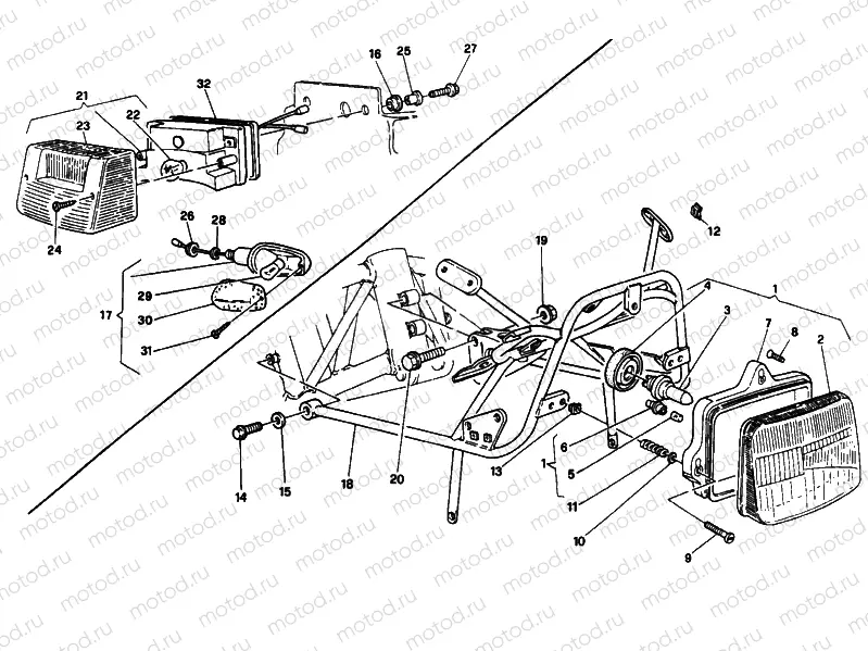
HEADLIGHT » LIGHTING SYSTEM

HEADLIGHT » LIGHTING SYSTEM
1
52040011A
COMPLETE HEADLIGHT
1
52040031A
HEAD-LIGHT LEFT DRIVE
2
52040011A
COMPLETE HEADLIGHT
2
52040031A
HEAD-LIGHT LEFT DRIVE
3
39040241A
.BULB
4
067538222
RING NUT
5
065938226
.BULB 12V 4W
6
000036231
. BULB SOCKET
7
000042927
RING NUT
8
000042928
Vis
9
77340541A
. VITE TC CON INTAGLIO PG DIN 84 CL 4.8
10
60N115504
Rondelle
11
000042932
Spring
12
096091130
Nut
13
000043790
Nut
14
77150638B
pc - Vis
15
85310031A
Rondelle (spring)
16
080137075
VIBRATION DAMPER
17
000053703
REAR FLASHING LIGHT
18
82910361BA
HEAD-LIGHT SUPPORT
18
82910361D
HEAD-LIGHT SUPPORT
19
74940081A
2 pc - Nut
20
800062733
SCREW TE M8X1.25X35 CH12
21
067574100
Taillight assy.
22
39040031A
5 pc - Bulb (12V 5/21W)
23
067574380
Taillight lens
24
722370721
. SCREW 2.9X32
25
037072030
BUSH
26
74950061A
2 pc - Nut
27
77251058B
pc - Vis (M6x30)
28
85250291A
Rondelle
29
800036726
.BULB 12V 10W BA15S
30
000056464
.LENS REAR BLINKER
31
800034657
SCREW TAPPING AB 2.9X19-UNI6954-71
32
067574390
Gasket

Узлы для