DM 009457> FAIRING » PLASTICS

DM 009457> FAIRING » PLASTICS
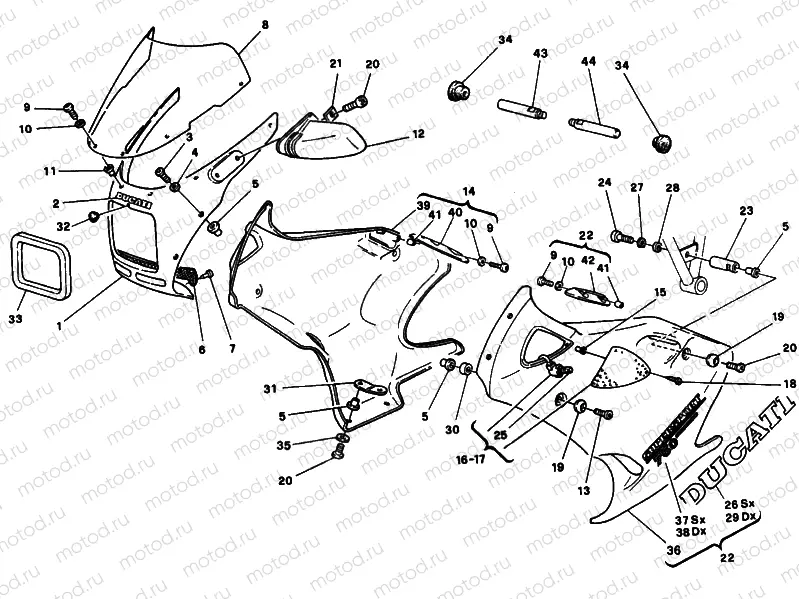
1
48110041BA
COWLING
1
48190041CA
OWLING
1
48130041A
COWLING
2
43410011A
EMBLEM DUCATI
3
77910891B
pc - Vis
4
85610401A
Gasket
5
85041121A
.BUSH
6
46010231A
GUARD
7
722371120
SCREW 4.2X13
8
48710031A
Pare-brise
9
77510171A
Vis
10
85611361A
Rondelle
11
85040821A
.THREADED INSERT
12
52340011AB
MIRROR
13
77350728B
Vis
14
48010701AA
FAIRING, RH
14
48010701AB
FAIRING, RH
15
85040091A
. QUICK FASTENING
16
53040021A
Clignotant
17
53040011A
Clignotant (Front RH)
18
77510031A
pc - Vis
19
84110011C
2 pc - . RETAINER
20
77350678B
Vis
21
82710611A
PLATE
22
48010691AA
FAIRING, LH
22
48010691AB
FAIRING, LH
23
82710581A
HOLDER
24
77150648B
pc - Vis
25
079503420
BULB 12V 21W BA15S
26
43710831A
L.H. STICKER DUCATI
27
85310031A
Rondelle (spring)
28
85211761A
0 pc - Rondelle
29
43710841A
R.H. STICKER DUCATI
30
71310651A
2 pc - Entretoise
31
82710121B
PLATE
32
067591080
PLUG
33
79110111B
.HEADLIGHT GASKET
34
000017847
.RUBBER SLEEVE
35
036499710
Gasket (NYLON)
36
48010180AA
FAIRING, LH
37
43710891A
SUPERSPORT L.H. TRANSFER
38
43710901A
SUPERSPORT R.H. TRANSFER
39
48010190AA
FAIRING, RH
40
48410281A
RIGHT AIR MANIFOLD
41
85040201A
.THREADED INSERT
42
48410271A
LEFT AIR MANIFOLD
43
68410032A
COLUMN
44
68410042A
COLUMN

Узлы для