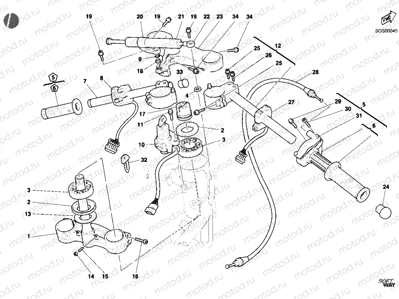
HANDLEBAR » HANDLE BAR

HANDLEBAR » HANDLE BAR
1
34220281A
STEERING CROWN WITH PIN
2
93010041B
.SEAL RING
3
70241231A
Cage à bille de direction
4
85250271A
Rondelle
5
65420021A
THROTTLE CONTROL
6
65620121A
Poignées
7
36020301A
LEFT HALF-HANDLEBAR
8
65140081A
Handlebar switch (Left)
8
65140081A
Handlebar switch (Left)
9
938232037
10 pc - O-Ring
10
65240043A
KEY-OPERATED SWITCH
11
77210601A
pc - Vis
12
36020311A
RIGHT HALF-HANDLEBAR
13
85211031AB
Rondelle
14
74750071A
pc - Nut
15
77910991B
Vis
16
77151278B
pc - Vis
17
70310131A
THREAD, STEERING HEAD TOP
18
71610491A
Entretoise
19
77116648B
5 pc - Vis
20
82920791B
RACKET
21
36420031B
STEER.DAMPER 748-998B/02
22
84820011B
.END PART
23
34120011A
UPPER BRACKET HS
24
87210151A
Handlebar weight
25
77156698B
Vis
26
77156678B
pc - Vis
27
65040062A
Handlebar switch (Right)
28
65610132A
THROTTLE TRANSMISSION
29
77250231A
pc - Vis
30
800066774
10 pc - .SCREW TCIC M4X0.7X8
31
65840021A
.CAP, GRIP UPPER
32
59840113A
Clé Vierge
33
87210111A
.CAP
34
77157258B
pc - Vis

Узлы для