CRANKCASE » ENGINE CASE

CRANKCASE » ENGINE CASE
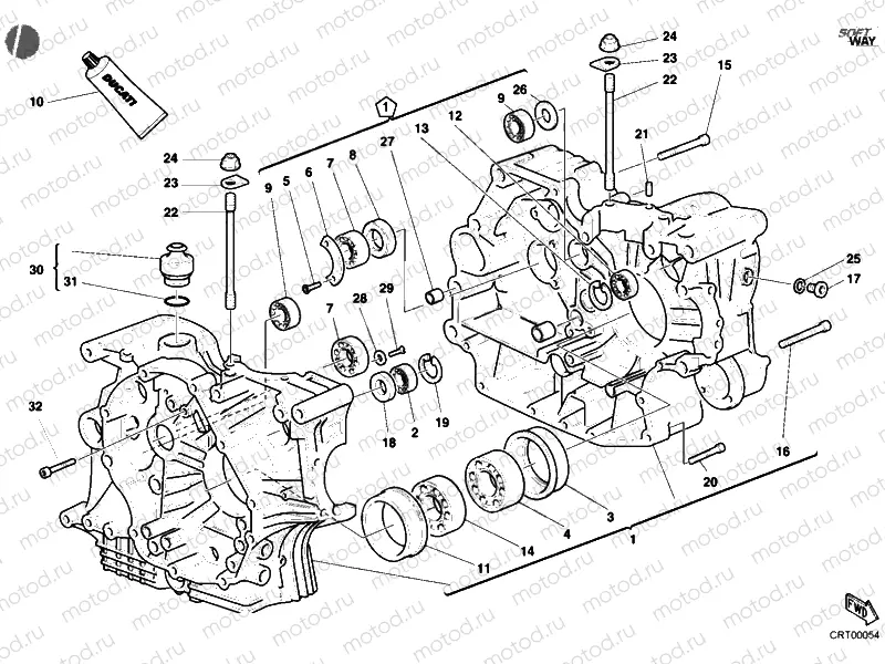
1
22520471B
CRANKCASE
2
757941542
Roulement
3
71010701A
Entretoise
4
751913380
Roulement
5
720941616
.SCREW TSPEI M6X12
6
82610031A
PLATE, RETAINER
7
70250191A
Roulement
8
937832552
Joint
9
70240331A
Roulement
10
942470014
Gasket - silicone sealant
11
71010691A
Entretoise
12
70250081A
Roulement
13
735033380
Seeger
14
70240201A
Roulement
15
77151368B
Vis
16
77150808B
Vis
17
77910262A
.SCREW M12X1
18
93041233A
Joint
19
735033380
Seeger
20
77150722B
Vis
21
86010041A
pc - Dowel pin
22
76610141A
Stud bolt
23
85610642A
Rondelle
24
74810501A
pc - Nut (M10)
25
85250261A
pc - Rondelle
26
037049250
10 pc - Rondelle
27
71110951A
Dowel pin
28
71311401A
Entretoise
29
77052508B
Vis
30
59310031B
Oil breather valve
31
938233156
pc - O-Ring
32
77110101A
Vis
33
77910292A
Vis

Узлы для