FUEL PUMP » TANK/SEAT

FUEL PUMP » TANK/SEAT
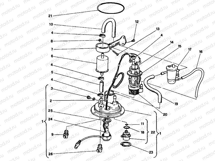
1
16090371A
FLANGE
2
85250241A
Rondelle
3
78010081A
.PLUG
4
74140641A
5 pc - Collier
5
59010561A
.PIPE
6
42540041B
Filtre à carburant
7
82911041A
HOLDER
8
041950115
. NUT M4
9
58840101A
END PART
10
59010551A
.HOSE, DELIVERY
11
88640211A
O-Ring
12
722370974
Vis
13
041950045
SCREW M4X16
14
43040041A
Pompe à essence
15
82910772B
RACKET, PUMP
16
59010591A
HOSE
17
42740021A
DEGASER
18
88640221A
pc - O-Ring
19
59010581A
HOSE
20
42710031A
.FILTER, FUEL PUMP
21
88650011A
O-Ring
22
28340031A
REGULATOR, PRESSURE
23
735033449
Seeger
24
59210142A
Jauge de niveau de carburant
25
78910011A
Gasket
26
58840091A
END PART

Узлы для