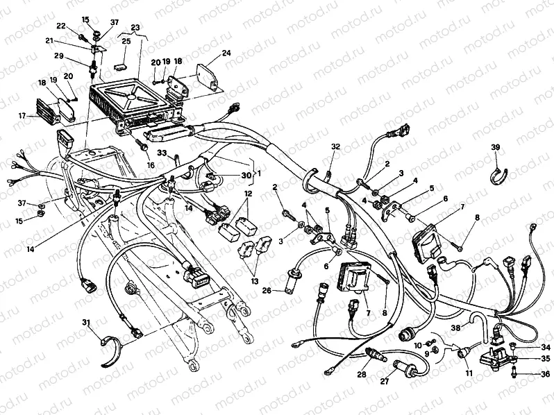
ENGINE CONTROL UNIT SP » HANDLE BAR

ENGINE CONTROL UNIT SP » HANDLE BAR
1
51010631B
INJECTION WIRING
2
77210601A
pc - Vis
4
76410841A
Damper
5
82910961A
HOLDER
6
71614111A
Entretoise
7
28540031A
IGNITION COIL
8
77150258B
.SCREW
9
76440051A
Damper
10
38740021A
.END PART
11
38640061A
.CONNECTOR
12
28740403A
RELAIS HELLA (4RD) 933 332-17
13
82911271A
BRACKET
14
70010131A
VIBRATION DAMPER
16
77250988B
pc - Vis
17
82911161A
RIGHT HOLDER
18
28740332A
POWER GROUP
19
60N115654
Rondelle
20
722761035
pc - .SCREW M4X20
21
82710801A
. PLATE
22
M470412
.SCREW
23
28640111C
ENGINE CONTROL UNIT
24
82911151A
LEFT HOLDER
25
54610601A
EPROM 053
25
54610611A
EPROM 055
26
67110021A
SPARK PLUG CABLE, VERTICAL HEAD
27
67110011A
SPARK PLUG CABLE, HORIZONTAL HEAD
28
67090201A
Bougie d'allumage
29
70010041A
Damper
30
38940081A
pc - Fusible (15A)
31
74110101A
.CLAMP 70MM
32
74110131A
2 pc - . CLAMP, RUBBER 82MM
33
74110121A
.CLAMP, RUBBER 62MM
34
76410161A
Damper
35
55240021A
PRESSURE DETECTOR
36
83210121A
PIN
38
87710401A
PIPE

Узлы для