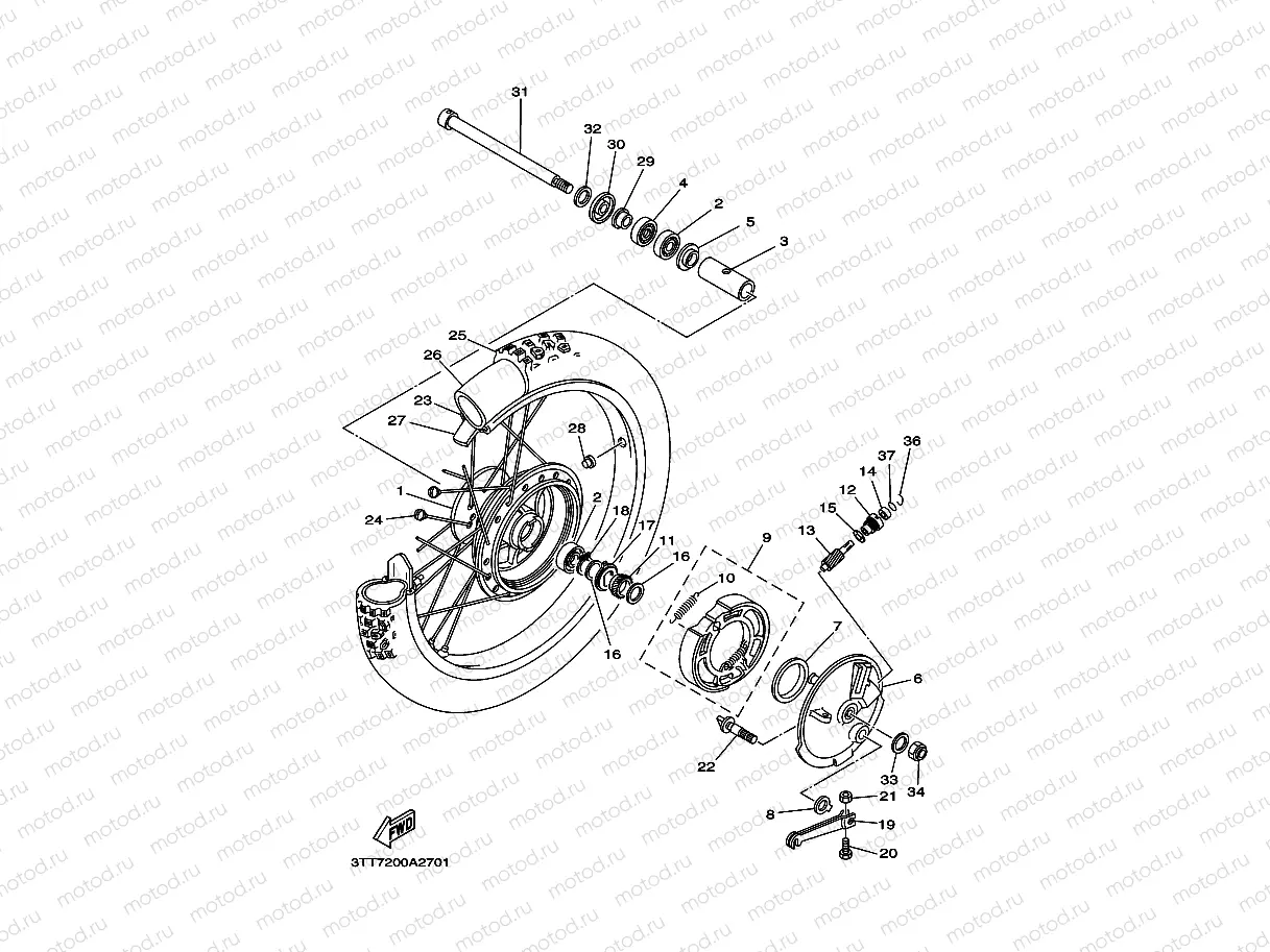
FRONT WHEEL

FRONT WHEEL

Узлы для