FRONT BRAKE SYSTEM [MOD:DVL1260]

FRONT BRAKE SYSTEM [MOD:DVL1260]
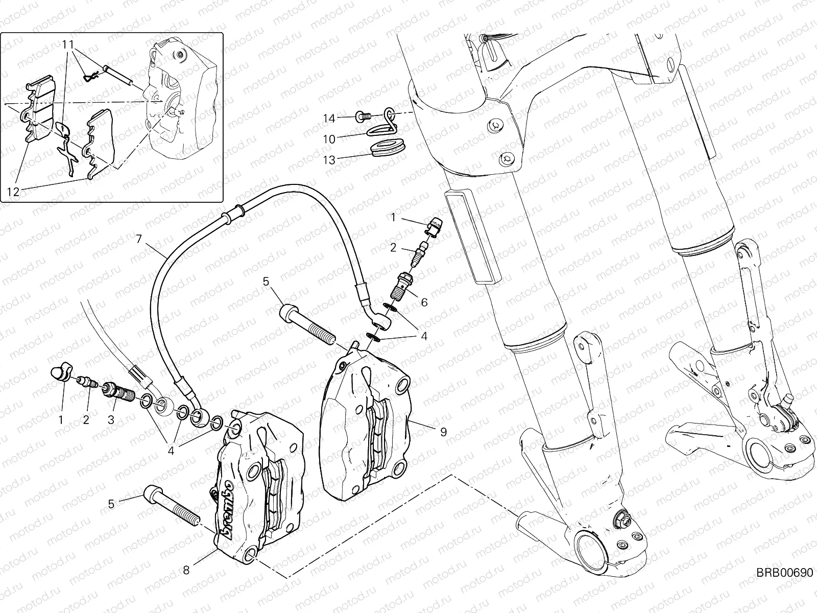
1
61240052A
DUST COVER
2 шт. в узле
2
18710021A
.VALVE, BREATHER
2 шт. в узле
3
77914651A
. BOLT, BRAKE HOSE
1 шт. в узле
4
85250241A
Rondelle
5 шт. в узле
5
77915111B
Vis
4 шт. в узле
6
77913971A
. BOLT, BRAKE HOSE
1 шт. в узле
8
61041302C
RIGHT FRONT BRAKE CALIPER
1 шт. в узле
9
61041292C
LEFT FRONT BRAKE CALIPER
1 шт. в узле
10
88110741A
Haltedraht Bremsleitung v. M696/11
1 шт. в узле
11
61240511A
.SPARE PIN AND SPRING
1 шт. в узле
12
61341021A
Plaquette de frein
1 шт. в узле
13
75810541B
pc - Damper
1 шт. в узле
14
77244173B
Vis
1 шт. в узле

Узлы для