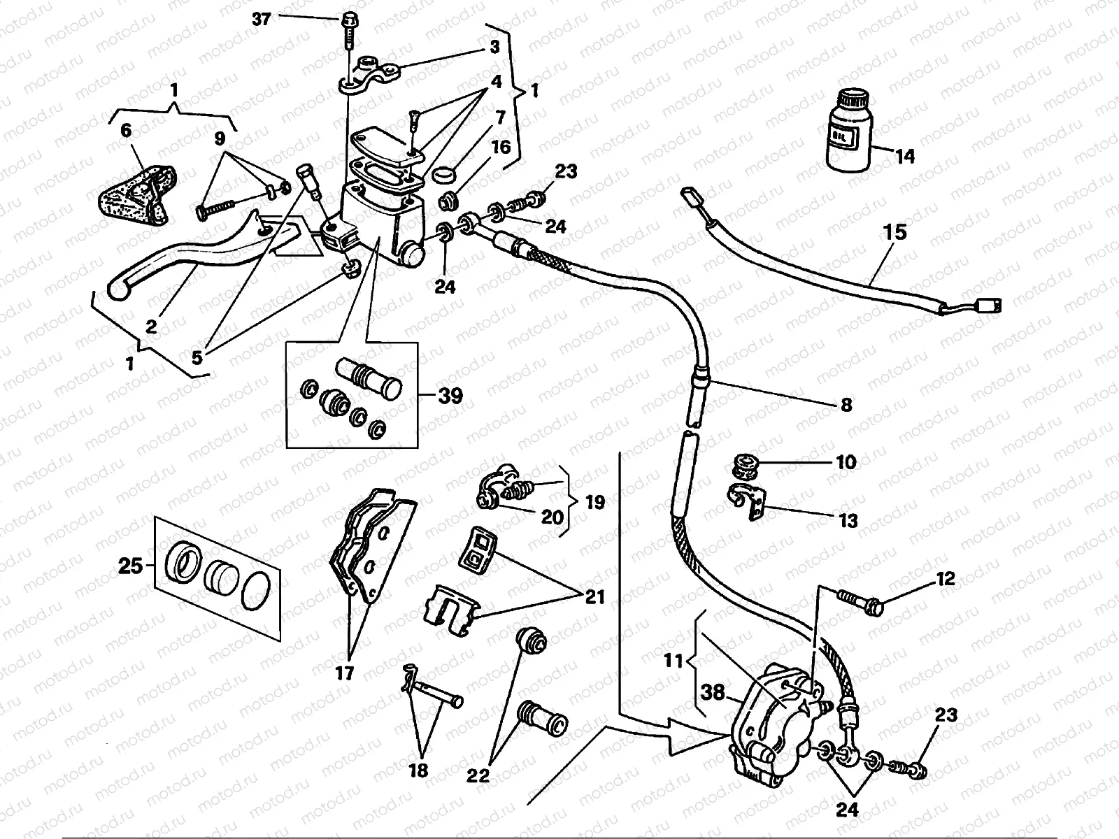
FRONT BRAKE

FRONT BRAKE
1
800096831
FRONT MASTER CYLINDER
1
800099715
FRONT MASTER CYLINDER
2
800096830
Levier de frein
3
800094125
BRACKET, MASTER CYLINDER
4
50313003000
HANDBRAKE CYL.COVER CPL.NATURE
5
800094127
LEVER SCREW CPL.
6
50313004000
PROTECTION CAP HAND BRAKE CYL.
7
800079099
ANTIEMULSION
8
8000A0600
Durite de frein (Front brake)
8
800093036
Durite de frein (Front brake)
9
50313007000
ADJUSTING SCREW CPL. SX 2000
9
50313007100
ADJUSTING SCREW CPL. EXC 2000
10
800071806
GROMMET, CABLE GUIDE
11
800099674
CALIPER ASSY, FRONT
12
800062733
Screw (M8x35mm) (M8x35mm)
13
800090104
GUIDE, BRAKE HOSE
13
800072022
CLAMP, BRAKE HOSE
14
800071445
BRAKE OIL
15
8000A0929
SWITCH, STOP
16
800049654
SCREW KIT
17
50313030200
BRAKEP.SET FR.TOSHIBA TT2701HH
18
77013017000
BOLT CPL. 09
19
8000A0931
BLEED SCREW KIT
20
SPMV800053259
COVER, RUBBER
21
800079065
SPRING SET
22
54613218100
CUP SET SHORT
23
800057155
BRAKE CALIPER NIPPLE
24
SPMV800021480
pc - WASHER, COPPER, D14XD10,2XE1
25
8000A0930
PISTON ASSY, CALIPER
37
Z00062729
Vis
38
800099859
BRACKET, CALIPER
39
8000A0928
CYLINDER KIT MASTER
39
50313008200
REP.SET PISTON D=11 SX 2001

Узлы для