ENGINE | ENGINE, EXHAUST SYSTEM - Z16VDE92NH/NW (700475)

ENGINE | ENGINE, EXHAUST SYSTEM - Z16VDE92NH/NW (700475)
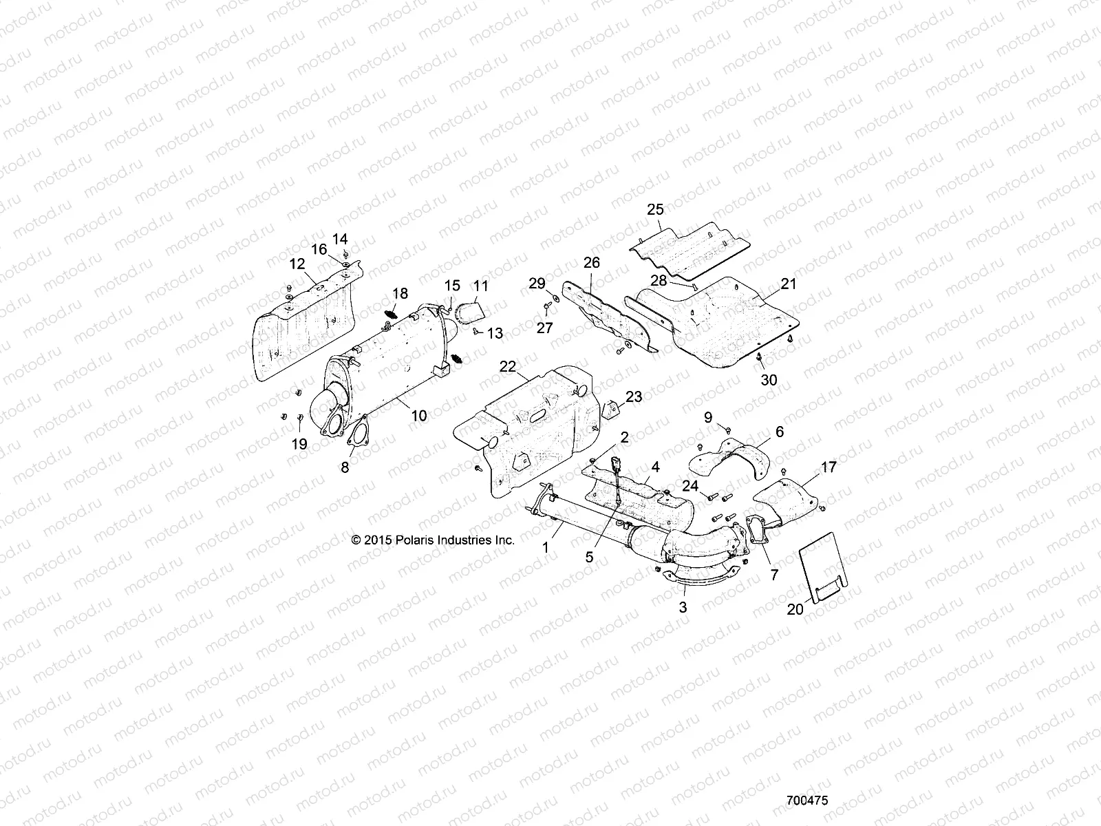
1
7520290
STUD-M8X1.25X40 660A SS LOCK
1
1263081
ASM-HEADPIPE TURBO
2
7520291
SCR-HHSEMS-M6X1.0X10 A286 LOCK
3
5264104
SHIELD-HEAT HEADPIPE FRONT
4
5260457
SHIELD-HEAT HEADPIPE RR INNER
5
4016021
SENSOR-OXYGEN
6
5266197
SHIELD-HEAT UPPER
7
5814964
GASKET-EXHAUST
8
5814963
GASKET-EXHAUST 3 BOLT
9
7520291
SCR-HHSEMS-M6X1.0X10 A286 LOCK
10
1262655
ASM-SILENCER
11
1262390
WELD-SPARK ARRESTOR
12
5263543
SHIELD-SILENCER
13
7517257
SCREW HXFLGHD M6X12
14
7518490
SCR-1/4-20X1/2 TFM HW-M
15
7547120
Nut
16
7555935
Rondelle
17
5266199
SHIELD-HEAT OUTLET
18
7041789
Spring
19
7547803
NUT-HXFL-M8X1.25 A493 EM6340
20
5814082
SHIELD-ACCESS PANEL
21
5814245
SHIELD-BOX FRONT
22
5268152
SHIELD-REAR STAINLESS
23
5450115
MNT-ISOLATOR
24
7520277
SCR-SH-M8X1.25X25 A286 LOCK
25
5262942
SHIELD-ACCESS PANEL
26
5814284
SHIELD-ENGINE
27
7518529
SCR-M6X1.0X20 HXHD FLG TDFM BL
28
7519045
SCR-TX TRUSS-#14X3/4 HI/LO ZBK
29
7556329
WASHER-.281X1.00X.051
30
7661855
RIVET-TUFLOK .315-.325X.787 (5

Узлы для