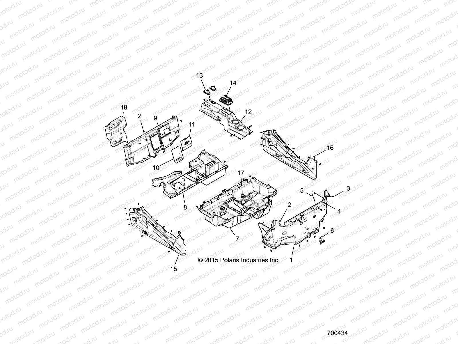
BODY | BODY, FLOOR and ROCKER PANELS - Z16VDE92NH/NW (700434)

BODY | BODY, FLOOR and ROCKER PANELS - Z16VDE92NH/NW (700434)
1
2635960-070
ASM-FIREWALL MAIN BLK
2
7519650
SCR-TXTH-M6X1.0X25 RIE
3
7547674
NUT-M6-1.0 U-TYPE (2.5-3.8)(10
4
7518196
SCR-10-24X3/4 PH/TX/TRI-SEMS Y
5
7661855
RIVET-TUFLOK .315-.325X.787 (5
6
5415042
BOOT-STEERING
7
2637566-070
ASM-FLOOR MAIN BLK
8
5439770-070
PANEL-REAR CLOSEOFF LWR BLK
9
5454120
PANEL-REAR CLOSEOFF UPR
10
5454122
PANEL-ACCESS ENGINE
11
5454123
COVER-ECU
12
5439768-070
CONSOLE BLK
13
5450254-070
BOOT-SEAT BELT BLK
14
5415700
BOOT-SHIFTER
15
5451448-070
ROCKER RH BLK
16
5451447-070
ROCKER LH BLK
17
5414694
PLUG-DRAIN FLOOR
18
5814283
SHIELD-REAR CLOSEOFF

Узлы для