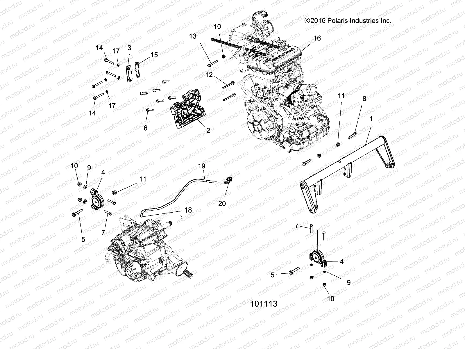
ENGINE | ENGINE, ENGINE MOUNTING - A17DCE87AU (101113)

ENGINE | ENGINE, ENGINE MOUNTING - A17DCE87AU (101113)
1
1021392-329
WELD-MOUNT ENGINE FRONT E-COAT
2
5143718
COUPLER-ENGINE GEARCASE
3
5255238
BRKT-COUPLER TRANS
4
1332955
MOUNT-ISOLATOR DRIVELINE
5
7518826
BOLT-M10X1.5X60 HX FLG HD
6
7520467
BOLT-M10X1.5X60MM8.8HEXDRILOCK
7
7519097
SCR-HH M8X1.25X45 8.8 ZOD
8
7519332
SCR-HXFL-M10X1.25X40 8.8 ZOD
9
7547030
PALNUT
10
7547332
NUT-M8X1.25 FLG NYLOC-OLIVE D
11
7547333
NUT-M10X1.25 FLG NYLOC-OLIVE D
12
7519043
SCR-HXFL-M10X1.25X95 10.9 ZOD(
13
7519298
SCR-HXFL-M8X1.25X60 8.8 ZOD
14
7518595
BOLT-M10X1.25X40 HXFLG-OLIVE D
15
5259964
WELD-NUT PLATE
16
2207362
K-LONG BLOCK 875 ACE
17
7556153
WASHER 3/8 FW
18
7081432
CLAMP-HOSE 17/32 GREEN
19
8450040-600
LINE FUEL 1/4 ID(600 CM.)
20
5453464
FITTING-VENT LINE 90

Узлы для