ENGINE | ENGINE, AIR INTAKE SYSTEM - A17DCE87AU (100658)

ENGINE | ENGINE, AIR INTAKE SYSTEM - A17DCE87AU (100658)
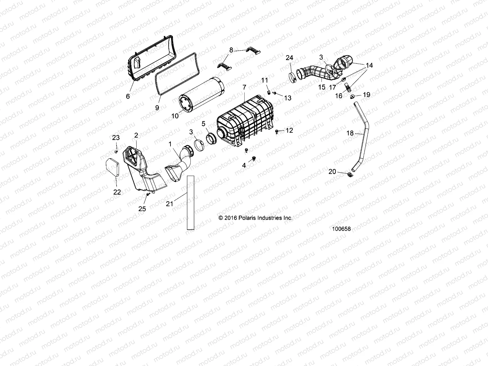
1
5452344
DUCT-INTAKE AIRBOX
2
5450728
BOX-INTAKE ENGINE RH
3
7080439
CLAMP, HOSE(10)
4
5414472
PLUG-DRAIN
5
5415155
SEAL-INTAKE AIRBOX
6
5451097
COVER-AIRBOX
7
5451098
AIRBOX
8
5451099
STRAP-AIRBOX
9
5815300
SEAL-AIRBOX
10
2882233
K-FILTER AIR ULTRA PERF APX
10
7082115
FILTER-AIR
11
7547674
NUT-M6-1.0 U-TYPE (2.5-3.8)(10
12
7518555
BOLT-M8X1.25X20 HXFLG TAP/R-OD
13
7519650
SCR-TXTH-M6X1.0X25 RIE
14
1240975
ASM-INTAKE DUCT
15
5452345
DUCT-INTAKE ENG
16
7052580
FITTING-3/4 DOUBLE BARB
17
7081903
CLAMP-HOSE
18
5415564
HOSE-VENT ENG
19
7080614
CLAMP HOSE
20
7080841
CLAMP SPRINGBAND 27/12 GREEN
21
5814033
SEAL-FOAM ADHESIVE
22
5814026
FILTER-INTAKE FOAM
23
7670088
CLIP PLASTIC DART NYLON
24
7080446
CLAMP, HOSE(10)
25
7518529
SCR-M6X1.0X20 HXHD FLG TDFM BL

Узлы для