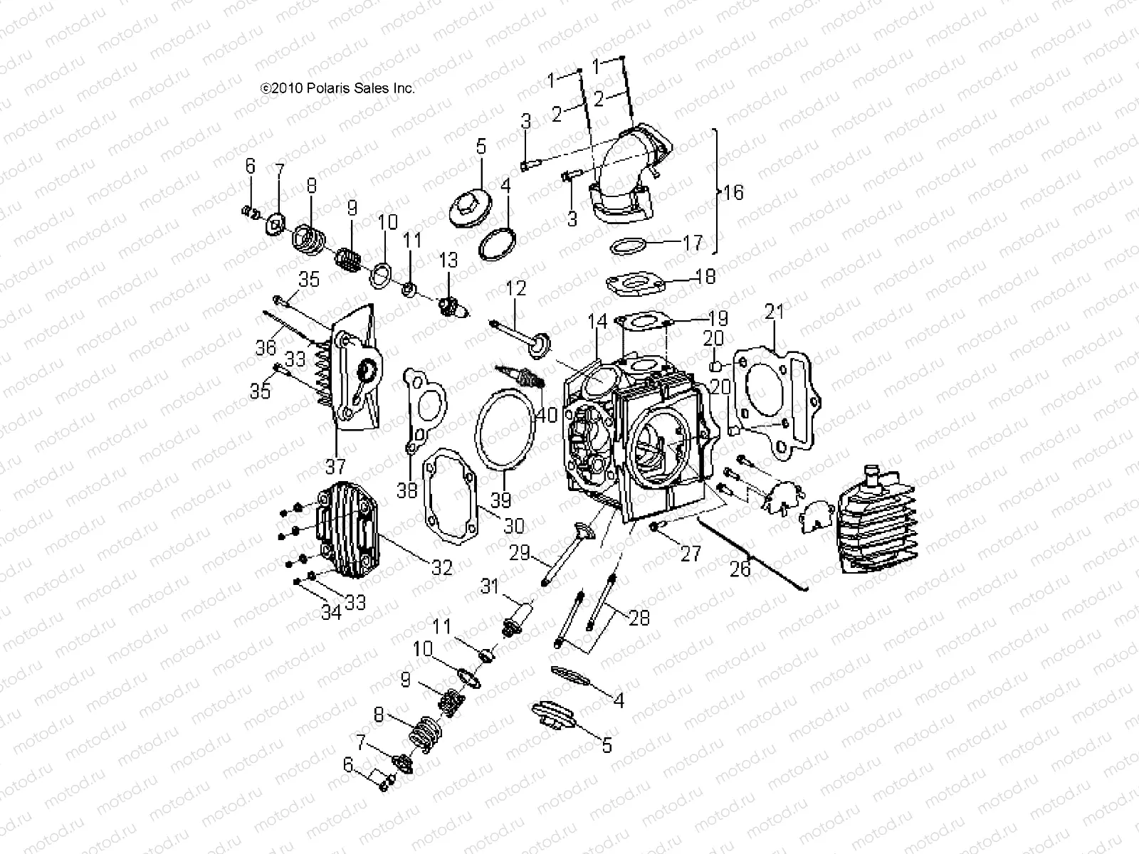
ENGINE | ENGINE, CYLINDER HEAD - A11FA09AA (49ATVCYLINDERHD11SP90)

ENGINE | ENGINE, CYLINDER HEAD - A11FA09AA (49ATVCYLINDERHD11SP90)
0
9990000
Suspension, Rear
1
0450880
NUT-FLG W/SERR
2
0453573
STUD-INTAKE MANIFOLD
4
0452371
O-RING DRAIN PLUG
5
0453537
COVER-CYLINDER
6
0452389
CLIP-RETAINER
7
0453443
RETAINER-SPRING VALVE
8
0453442
SPRING-VALVE INNER (IN)
9
0453441
SPRING-VALVE OUTER (EX)
10
0453444
SEAT-VALVE SPRING OUTER
11
0453426
SEAL-VALVE ENGINE
12
0453439
VALVE-INTAKE CYLINDER
13
0453575
Guide, Valve Intake
14
0454845
ASM-HEAD CYLINDER 90
16
0453448
ASM-MANIFOLD INTAKE
17
0453563
O-Ring
18
0453449
INSULATOR-MANIFOLD
19
0455364
GASKET-MANIFOLD
20
0452342
Dowel pin
21
0455389
Joint culasse
26
0455402
ASM-COVER CYLINDER HEAD SM LH
27
0453520
Vis
28
0453504
Stud bolt
29
0453440
VALVE-EXHAUST CYLINDER
30
0455434
Joint de couvercle de soupape
31
0453576
GUIDE-VALVE EXHAUST
32
0453534
COVER-CYLINDER HEAD
33
0453510
WASHER-CYLINDER HEAD
34
0453553
NUT-ROUND HEAD ZINC
35
0453519
Vis
36
0453723
Vis
37
0453535
COVER-CYLINDER HEAD LH
38
0455435
Joint de couvercle de soupape
39
0455436
Joint de couvercle de soupape
40
0453034
Bougie d'allumage

Узлы для