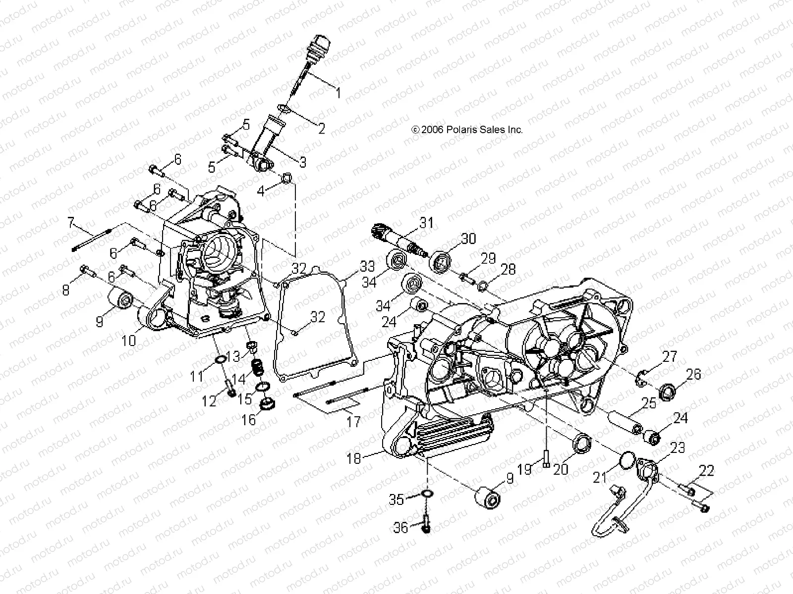
ENGINE | ENGINE, CRANKCASE - A11FA09AA (49ATVCRANKCASE07OTLW90)

ENGINE | ENGINE, CRANKCASE - A11FA09AA (49ATVCRANKCASE07OTLW90)
0
9990000
Suspension, Rear
1
0453542
GAUGE-OIL
2
0453508
O-RING-OIL DIPSTICK
3
0454687
NECK-OIL FILLER
4
0453827
O RING-ACRYLIC
5
0453519
Vis
6
0453612
Vis
7
0453613
Stud bolt
8
0453614
Vis
9
0450587
BUSHING-RUBBER 96400-102831
10
0453615
CRANKCASE-RH
11
0452133
WASHER-FLAT
12
0452132
BOLT-HEX WASHER FACE
13
0452369
SCREEN-OIL
14
0452370
SPRING-OIL SCREEN
15
0452371
O-RING DRAIN PLUG
16
0452368
PLUG-DRAIN OIL
17
0453616
Stud bolt
18
0454818
CRANKCASE LH
19
0453669
Vis
20
0453522
SEAL-OIL CRANKCASE
21
0452129
O-RING-GEAR POSITION SENSOR
22
0452138
Vis
23
0452128
SENSOR-GEAR POSITION
24
0451139
BUSHING-RUBBER
25
0453617
SPACER-COLLAR CRANKCASE
26
0450200
Joint
27
0450198
CIRCLIP-EXTERNAL
28
0453460
WASHER-PLAIN
29
0450158
BOLT-SOCKET HEX
30
0450199
Roulement
31
0453456
SHAFT-DRIVE
32
0452342
Dowel pin
33
0455333
GASKET-CRANKCASE
34
0450254
BEARING-BALL

Узлы для