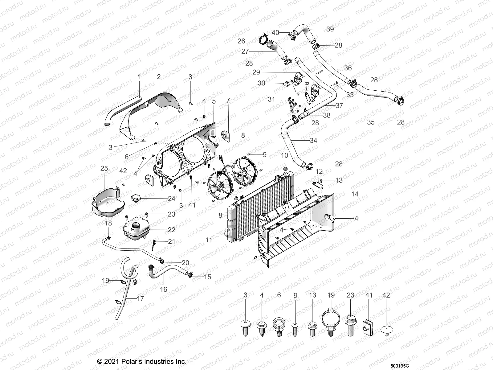
ENGINE | ENGINE, COOLING - T22AASGDAA/BA/SHDAA/BA/TGDAA/AB/BA/BB/THDAA/AB/BA/BB/LHDAR/BR/CR/LGDAR/BR/CR (500195C)

ENGINE | ENGINE, COOLING - T22AASGDAA/BA/SHDAA/BA/TGDAA/AB/BA/BB/THDAA/AB/BA/BB/LHDAR/BR/CR/LGDAR/BR/CR  (500195C)
1
5814706
SEAL-STEERING RACK
2
5454505
SHROUD-REAR RADIATOR
3
7520011
SCR-TXBH-M6X1.0X15 8.8 ZB3 SH
4
7661855
RIVET-TUFLOK .315-.325X.787 (5
5
5458870
ASM-FAN SHROUD NOBYPASS
6
7081968
CLIP-PUSH IN 0.50
7
5417967
GROMMET-ARB 24MM
8
1241449
MOTOR-FAN CLG NO-EMI
9
7520280
SCR-TXTH-M5X0.8X25 T40 ZPB
10
5410584
BUSHING-MOUNT LOWER RADIATOR
11
7052410
VALVE-PLASTIC RAD/COOLER DRAIN
11
1241386
CORE-RADIATOR 17FPI
12
5263541-329
BRKT-RETRAINT RADIATOR E-COAT
13
7518591
SCR-HXFLGHD M6X16 0600086
14
5455737
DUCT INLET
15
7082287
CLAMP-CTB28
16
5416815
HOSE-SURGE TANK
17
5416063
HOSE-OVERFLOW
18
7082286
CLAMP-CTB15
19
7081496
CLIP-ROUTING
20
5417506
ASM-VENT HOSE CS-QC
21
7081916
STRAP-PANDUIT DBL LOOP 260MM
22
5455083
TANK-SURGE
23
7518576
SCR-M6X20 HXFLG 0600214
24
5439573
CAP-SURGE TANK
25
5416928
SHIELD-COOLANT TANK
26
7082270
CLAMP-CTB58
27
5416069
HOSE-ENGINE INLET
28
7082625
CLAMP-CTB42
29
5453830
BRACKET-COOLANT TUBE
30
5263829-329
BRKT-COOLANT TUBE E-COAT
31
5265524-329
ASM-BRKT COOLANT LINE E-COAT
33
7519001
SCR-M6X1X40 TR/TX-M
34
5416485
HOSE RADIATOR OUTLET
35
5416066
HOSE-RADIATOR INLET
36
5345610
TUBE-COOLANT UPPR
37
5345611
TUBE-COOLANT LOWR
38
7080807
CLAMP-HOSE
39
5417090
HOSE-ENGINE OUTLET
40
7082530
CLAMP-CTB51 GRAY
41
7081305
CLIP-U SPEED NUT
42
7670142
CLIP-DART TRW PC47561

Узлы для