DRIVE TRAIN | DRIVE TRAIN, TRANSMISSION CASE MANUAL - T22AASGDAA/BA/TGDAA/AB/BA/BB/LGDAR/BR/CR (500184)

DRIVE TRAIN | DRIVE TRAIN, TRANSMISSION CASE MANUAL - T22AASGDAA/BA/TGDAA/AB/BA/BB/LGDAR/BR/CR (500184)
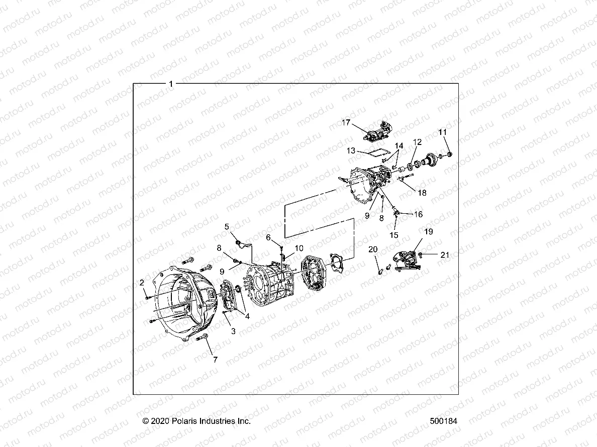
1
1336992
ASM-TRANSMISSION M
2
3235663
BOLT W/WASHER
3
3235662
BOLT W/ WASHER
4
3235660
RETAINER SUB-ASM BEARING FRW/S
5
3235651
Collier
5
3235649
SWITCH ASSY BACKUP LAMP
6
3235650
BOLT W/WASHER
7
7519783
SCR-HXFL-M10X1.5X50 10.9 ZOD
8
3235643
PLUG STRAIGHT SCREW W/HEAD
9
3235642
Gasket
10
3235653
Collier
11
3235688
Nut
12
3610371
SEAL TYPE T OIL
13
3235675
GASKET CONTROL SHIFT LVR RETNR
14
3235652
Collier
15
3235656
Vis
16
3235655
SENSOR SPEED
17
3235647
LEVER ASSY SHIFT
18
3235654
Collier
19
1333741
ISOLATOR-TRANS MNT
20
7517425
Vis
21
7518460
BOLT-M10X1.5X20 HXFLG W/PATCH

Узлы для