ENGINE | ENGINE, COOLING SYSTEM and WATER PUMP - A14TN5EAA/EAD (49ATVWATERPUMP12SP550)

ENGINE | ENGINE, COOLING SYSTEM and WATER PUMP - A14TN5EAA/EAD (49ATVWATERPUMP12SP550)
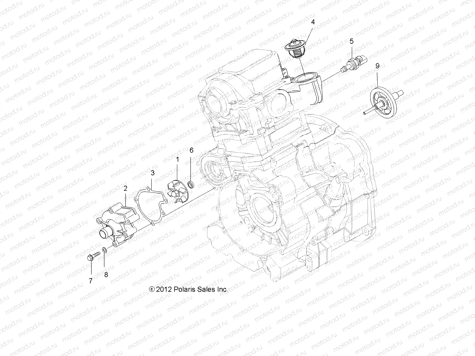
1
3090132
IMPELLER
2
3090133
COVER-WATERPUMP
3
3090134
Gasket
4
3090135
THERMOSTAT
5
3089892
SENSOR-WATER TEMP
6
3084942
WASHER SEAL
7
3087159
Vis
8
3088030
GASKET COPPER
9
3090136
SHAFT-PUMP

Узлы для