ENGINE | ENGINE, COOLING SYSTEM - A14TN5EAA/EAD (49ATVCOOL11SPTRG550)

ENGINE | ENGINE, COOLING SYSTEM - A14TN5EAA/EAD (49ATVCOOL11SPTRG550)
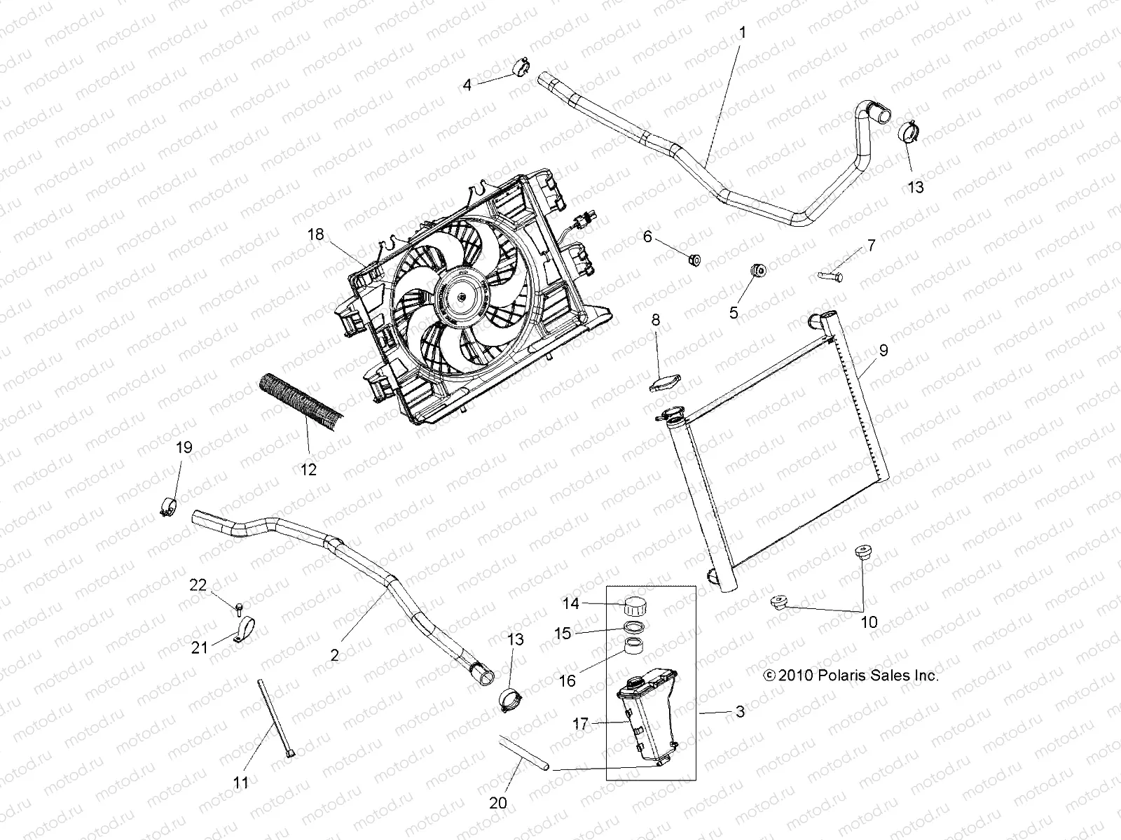
1
5413847
HOSE-RADIATOR ENG OUT 19MM
2
5414390
HOSE-RADIATOR ENGINE IN 19MM
3
1240406
ASM-BOTTLE COOLANT RECOVERY
5
5413509
ASM-GROMMET AND INSERT
6
7547274
NUT-M6 FLANGE NYLOK
7
7519202
SCR-HXFL-M6X1.0X30 RIE DGPNT
8
1240466
CAP-PRESSURE 13 PSI
9
1241437
ASM-RADIATOR 850 SPMN LED
9
1240404
RADIATOR-11 FPI 25MM FITTINGS
10
5413510
GROMMET-MOUNT LOWER RADIATOR
11
7080492
CABLE TIE 11 INCH
12
5521324
TUBING CONVOLUTED(1X6)
13
7080843
CLAMP SPRINGBAND 32/12
14
5430743
CAP OVERFLOW
15
5810279
GASKET
16
5433774
CAP PLUG9X(GRN) FLEX TEMP
17
1240406
ASM-BOTTLE COOLANT RECOVERY
18
2415279
FAN-12 SHROUD SPMN LED
19
7080842
CLAMP SPRINGBAND 29/12 BLK
20
8450128-27
LINE-COOLANT 27CM
21
7080908
CLAMP HOSE 1.375 VNL ECOATED
22
7518513
BOLT-M6X1.0X15 HXFLG TAP/R-OD

Узлы для