ELECTRICAL | ELECTRICAL, WIRE HARNESS - Z16VBE99AK/AW/AB (700270)

ELECTRICAL | ELECTRICAL, WIRE HARNESS - Z16VBE99AK/AW/AB (700270)
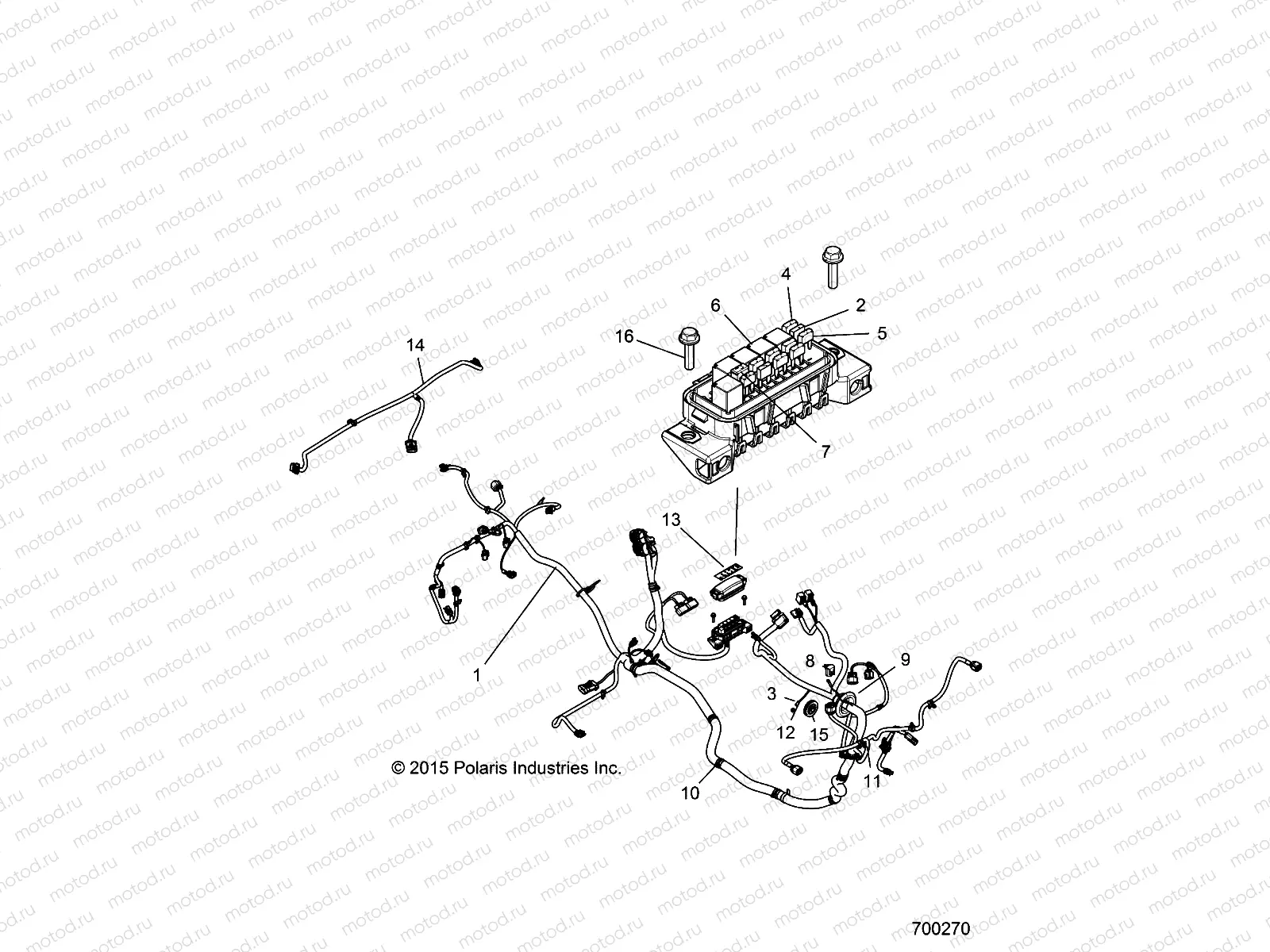
1
2413082
HARNESS-CHASSIS RZRS 1000
2
4010859
FUSE-15AMP MINI BLADE
3
2413217
LED-PANEL MNT 12V BLUE
4
2434016
FUSE IGN.10 AMP
5
4010859
FUSE-15AMP MINI BLADE
6
4016819
RELAY-SPST 12V 20A EPXY HFA
7
4011372
BREAKER-CIRCUIT 20 AMP
8
4012170
COVER-DIAGNOSTIC W/CLIP
9
5813954
GROMMET-65MM BLK
10
7081496
CLIP-ROUTING
11
7081916
STRAP-PANDUIT DBL LOOP 260MM
12
7082020
CLIP-ROUTING DIN BOX
13
7179870
LABEL-FUSE BOX
14
2412287
HARNESS-BOX RZR (TAIL LIGHT)
15
5414440
GROMMET-ELECTRICAL CAB
16
7518533
BOLT-M6X1.0X20 HXHD FLG BLK

Узлы для