CHASSIS | CHASSIS, MAIN FRAME AND SKID PLATE - Z16VBE99AK/AW/AB (700419)

CHASSIS | CHASSIS, MAIN FRAME AND SKID PLATE - Z16VBE99AK/AW/AB (700419)
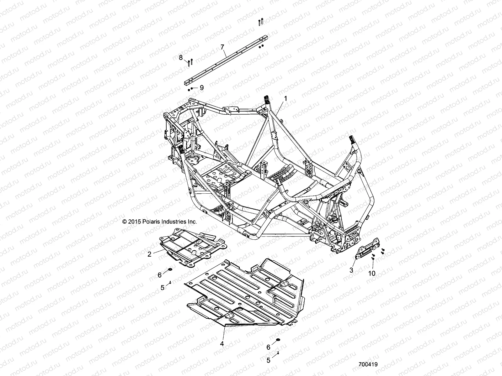
1
1021494-458
WELD-MAIN FRAME BLK
2
5450706-070
PLATE-SKID REAR BLK
3
5259449-458
BRKT-SUSP MNT FRT M.BLK
4
5456434-070
PLATE-SKID BLK
5
7518529
SCR-M6X1.0X20 HXHD FLG TDFM BL
6
7556065
WASHER SKID PLATE
7
1021506-329
ASM-TUBE TOP FRAME E-COAT
8
7517281
Vis
9
7547332
NUT-M8X1.25 FLG NYLOC-OLIVE D
10
7518555
BOLT-M8X1.25X20 HXFLG TAP/R-OD

Узлы для