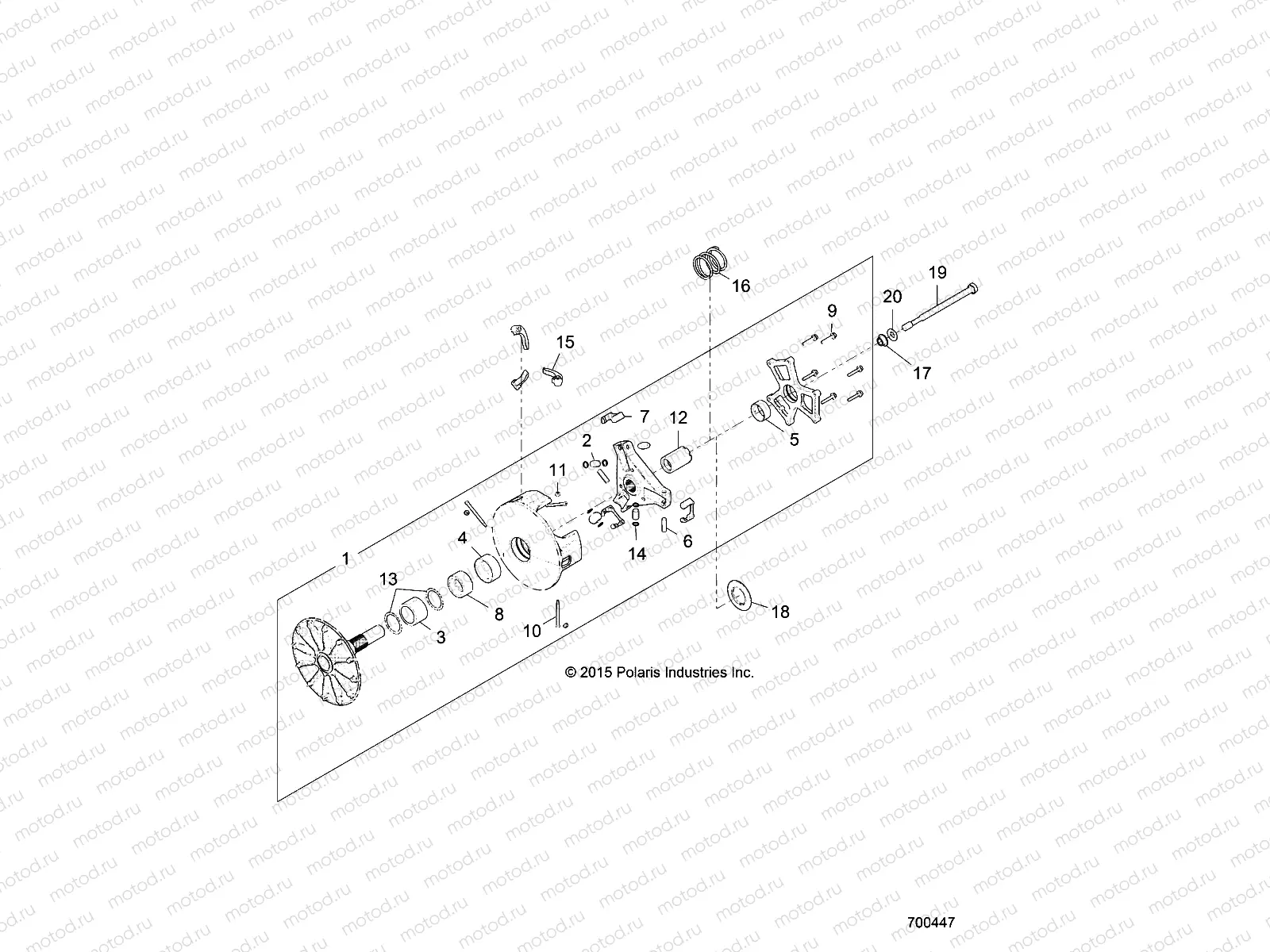
DRIVE TRAIN | DRIVE TRAIN, PRIMARY CLUTCH - Z16VFE92AE/AH/AS/AW (700447)

DRIVE TRAIN | DRIVE TRAIN, PRIMARY CLUTCH - Z16VFE92AE/AH/AS/AW (700447)
1
1323761
ASM-DRIVE CLUTCH BASIC
2
1323229
ASM-ROLLER W/BUSHING
3
3514890
BEARING-NEEDLE
4
3514891
BEARING-MOV HD
5
1323760
ASM-COVER DRIVE HD
6
5139559
PIN-ROLLER SPIDER HD
7
5451564
SLIDER-DRIVE HD
8
5633565
SPACER-CLUTCH HD
9
7518612
BOLT-M6X1.0X35 HXFLG/SH-OLV D
10
7520103
BOLT-SHIFT WEIGHT
11
7541906
NUT FLEXLOC
12
7547744
NUT-SPIDER HD
13
7556893
WASHER-CLUTCH
14
7556938
WASHER-THRUST
15
5139823
WEIGHT-SHIFT W-31-59 PM
16
7044585
SPRING-DRIVE HD 53-135
17
5132441
WASHER CLUTCH RETAINER
18
5452816
SPACER-CLUTCH LIMITER
19
7518412
SCR-M14X1.5X215 HX 10.9 Y35 R
20
7556003
Rondelle

Узлы для