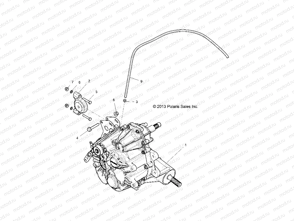
DRIVE TRAIN | DRIVE TRAIN, MAIN GEARCASE MOUNTING - Z16VFE99AF/AS/AM/M99AM (49RGRTRANSMTG14RZR1000)

DRIVE TRAIN | DRIVE TRAIN, MAIN GEARCASE MOUNTING - Z16VFE99AF/AS/AM/M99AM (49RGRTRANSMTG14RZR1000)
1
LR--
CALIPER, BRAKE, RH
2
1333242
MOUNT-ISOLATOR 70 DURO
3
7081432
CLAMP-HOSE 17/32 GREEN
4
7518563
BOLT-M10X1.25X60 HXFLG-OLIVE D
5
7519097
SCR-HH M8X1.25X45 8.8 ZOD
6
7547030
PALNUT
7
7547332
NUT-M8X1.25 FLG NYLOC-OLIVE D
8
7547333
NUT-M10X1.25 FLG NYLOC-OLIVE D
9
8450040-100
FUEL LINE 1/4SAE #30R7 100CM

Узлы для