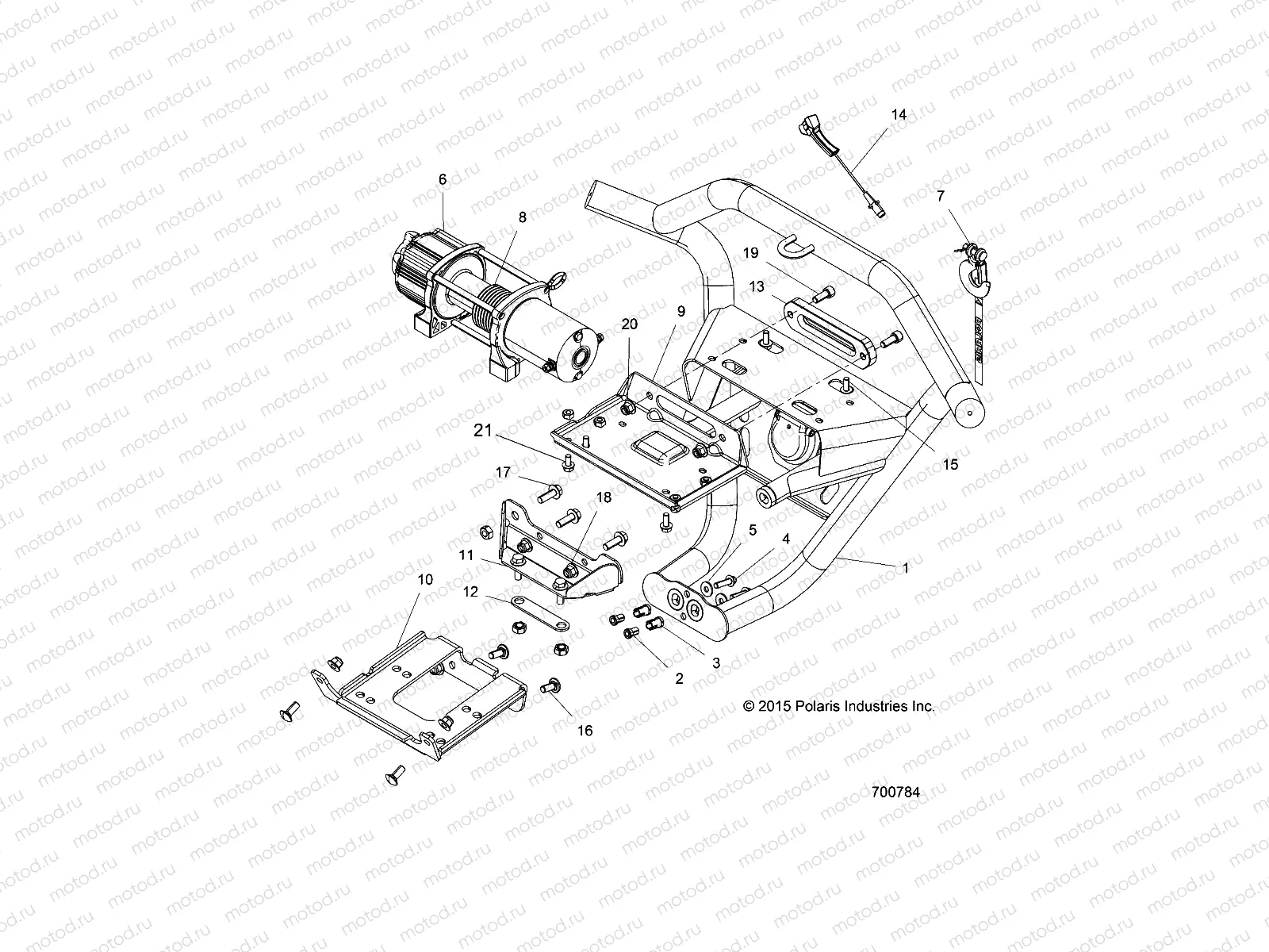
ACCESSORY | ACCESSORY, FRONT BUMPER, W/WINCH - Z16VFM99AM (700784)

ACCESSORY | ACCESSORY, FRONT BUMPER, W/WINCH - Z16VFM99AM (700784)
1
2635537-293
ASM-FRONT BUMPER HC INDY RED
2
5337853
TUBE-EXPANSION ANCHOR 125
3
5632958
WEDGE-ANCHOR CAST THREADED
4
7520234
SCR-HXFL-M8X1.25X30 10.9 ZPB
5
7556341
WASHER-.327X.875X.090 FL-M
6
2204855
WINCH-POLARIS 4.5 BTM SPL
7
2411836
HD HOOK & LATCH
8
2879187
KIT-SYNTH WINCH ROPE 50 FT
9
5260008-293
PLATE-FAIRLEAD MNT HC INDY RED
10
5257962
BRKT-WINCHMOUNT RZN
11
5260294-458
BRKT-FRT BUMPER UPPER SUPT BLK
12
5260168-458
PLATE-WELDMENT HC M BLK
13
5139707
FAIRLEAD HAWSE MACH HC
14
4013466
REMOTE-SWITCH WINCH
15
7519133
SCR-HXFL-M8X1.25X20 8.8 ZOD P3
16
7519372
SCR-RHCAR-M10X1.5X25 8.8 ZOD
17
7519764
SCR-HXFL-M10X1.5X30 8.8 ZOD
18
7547313
NUT-M10X1.5 HXFLG NYLON INS
19
7517358
Vis
20
7547423
NUT-M10X1.5 HFN NYLOC ZOD
21
7519005
SCR-HXFL-M8X1.25X16 8.8 ZPC

Узлы для