CRANKCASE » ENGINE CASE

CRANKCASE » ENGINE CASE
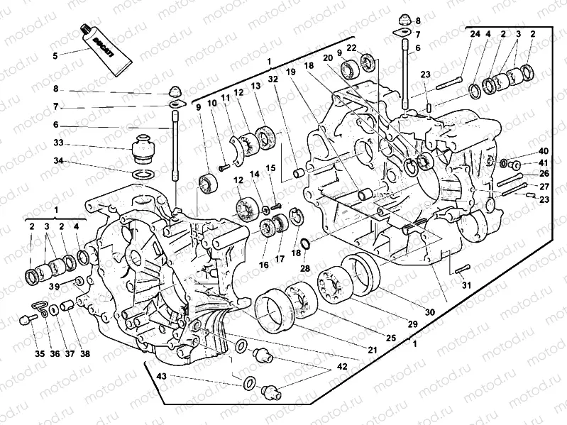
1
22520321B
CRANKCASE
2
93041271A
pc - . SEAL RING 20X26X4
3
764000004
Needle bearing
4
88440531A
pc - .SPRING RING
5
942470014
Gasket - silicone sealant
6
76610481A
Stud bolt
7
85610642A
Rondelle
8
74810501A
pc - Nut (M10)
9
70240331A
Roulement
10
720941616
.SCREW TSPEI M6X12
11
036749275
PLATE, RETAINER
12
751202567
Roulement
13
066049268
.OIL SEAL
14
71311401A
Entretoise
15
77052508B
Vis
16
93041233A
Joint
17
757941542
Roulement
18
735033380
Seeger
19
774993421
pc - BUSH
20
70250081A
Roulement
21
71010511A
Entretoise
22
93040932A
.SEAL, OIL 17X25X4
23
86010041A
pc - Dowel pin
24
77151368B
Vis
25
70240201A
Roulement
26
77910292A
Vis
27
77150808B
Vis
28
88641321A
O-Ring
29
751913380
Roulement
30
71010121B
Entretoise
31
77150722B
Vis
32
71110061A
.BUSH 10.5X14X15
33
59310031B
Oil breather valve
34
066049920
Gasket
35
77251038B
Vis (M6x25)
36
82911242A
RING
37
85211761A
0 pc - Rondelle
38
71010321A
SPINDLE, TAPER
39
71110721B
.BUSH, CONICAL
40
85250261A
pc - Rondelle
41
77910262A
.SCREW M12X1
42
81510051A
BOLT, BRAKE HOSE M14X1.5
43
42020064A
10 pc - Rondelle (ALU)

Узлы для