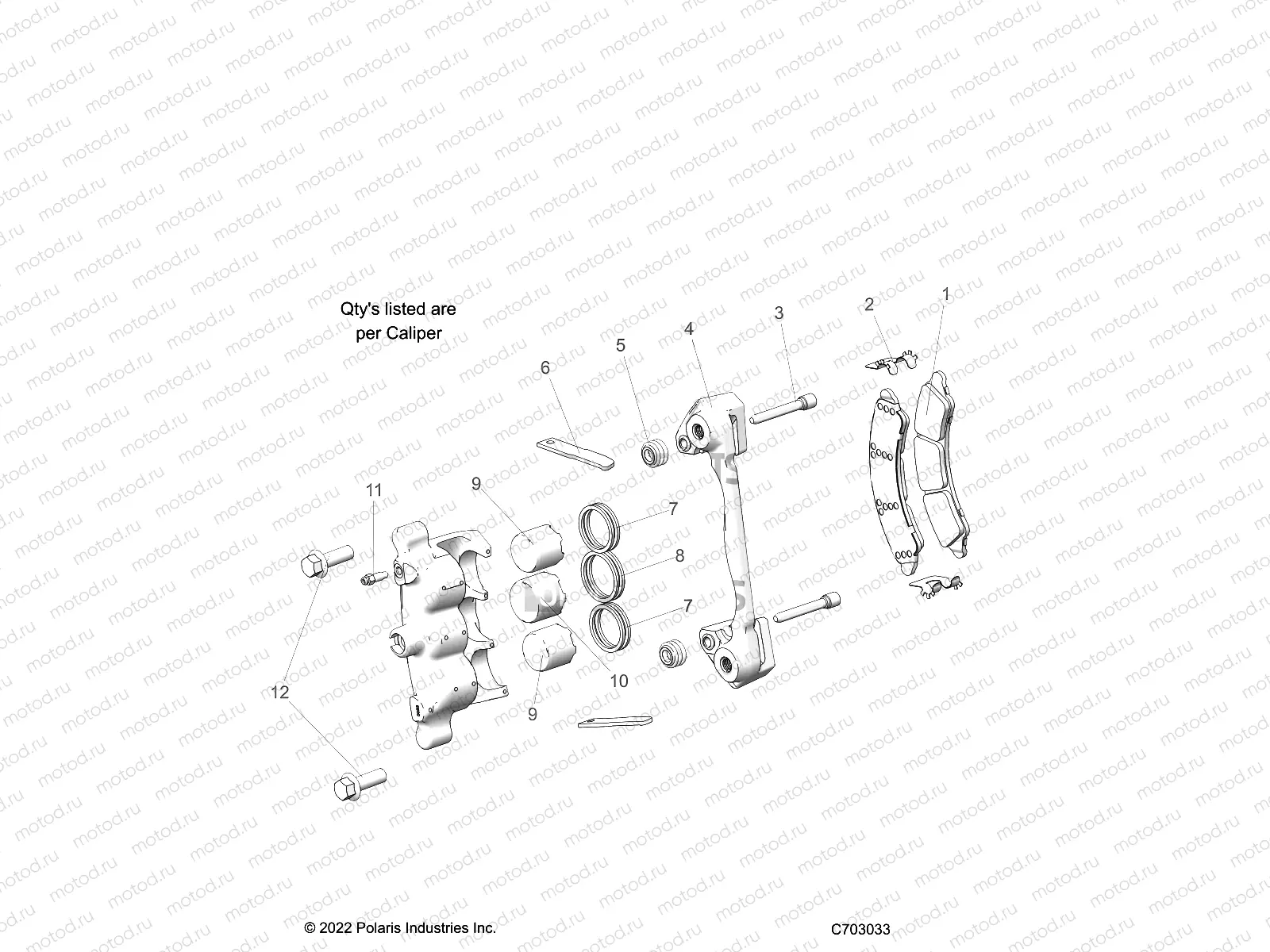
BRAKES | BRAKES, CALIPER, FRONT - Z23RGC2KAJ/BJ (C703033)

BRAKES | BRAKES, CALIPER, FRONT - Z23RGC2KAJ/BJ (C703033)
0
1914296
ASM-BRK-CAL-FL-3-PISTON
0
1914297
ASM-BRK-CAL-FR-3-PISTON
1
1913735
ASM-BRAKEPAD 3XL HIMU SS
2
5266374
CLIP WEAR BRAKE-PAD
3
1913339
PIN BRACKET-SLIDE
4
5143246
BRACKET CARRIER
5
5412506
BOOT-PIN SEAL
6
LR--
CALIPER, BRAKE, RH
7
5412907
SEAL-CALIPER INNER 1.375
8
5412010
SEAL-CALIPER INNER 1.50
9
5144813
PISTON-CLPR 1-3/8 SS SLUG
10
5144812
PISTON-CLPR 1-1/2 SS SLUG
11
7081343
SCR-M7X1.0 BLEEDER OLIVE D
12
LR--
CALIPER, BRAKE, RH

Узлы для