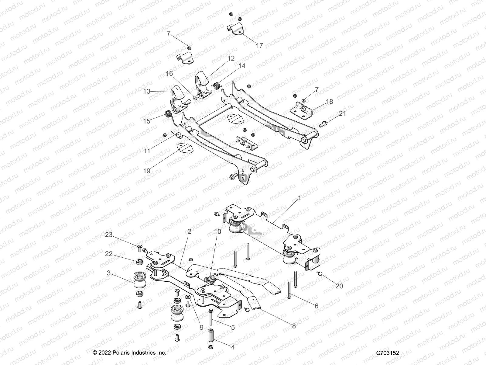
BODY | BODY, SEAT MOUNTING, DRIVER - Z23RGC2KAJ/BJ (C703152)

BODY | BODY, SEAT MOUNTING, DRIVER - Z23RGC2KAJ/BJ (C703152)
1
2638272
ASM-FRAME SEAT SLIDER LH BLK
2
2638271
ASM-FRAME SEAT SLIDER RH BLK
3
2638213
ASM-V ROLLER BEARING
4
5142332
SLIDER-SPACER
5
7519171
SCR-HXFL-M6X1.0X55 8.8 ZOD
6
7527829
SCR-TXTH-M6X1.0X60 10.9 ZY3
7
7546703
Nut (SELF-LOCKING)
8
5267598
BRKT-SEAT SLIDER LEVER
9
5455866
WASHER-PLASTIC
10
7045274
SPRING-SEAT SLIDER
11
2637649
ASM-RCVR SEAT SLIDE/TILT
12
5456315
LATCH-HOOK,LH
13
5456316
LATCH-HOOK,RH
14
7043989
SPRING-LATCH
15
7043990
SPRING-LATCH RH
16
7519980
BOLT-SHOULDER M8-15 M6X1.0-BLK
17
5265746-329
BRKT-HINGE SEAT UPR BLK
18
5265748-329
BRKT-MOUNT TILT ASM BLK
19
5454905
BUSHING-HINGE SEAT LWR
20
5412465
BUMPER-GROMMET 1/4
21
7517838
SCR-HEXFLGHD M8 X 20 0600086
22
3515187
BEARING-V ROLLER
23
5143866
BUSHING-SHOULDER V ROLLER

Узлы для