39 - REAR WHEEL (MODEL G/H/J/K)

39 - REAR WHEEL (MODEL G/H/J/K)
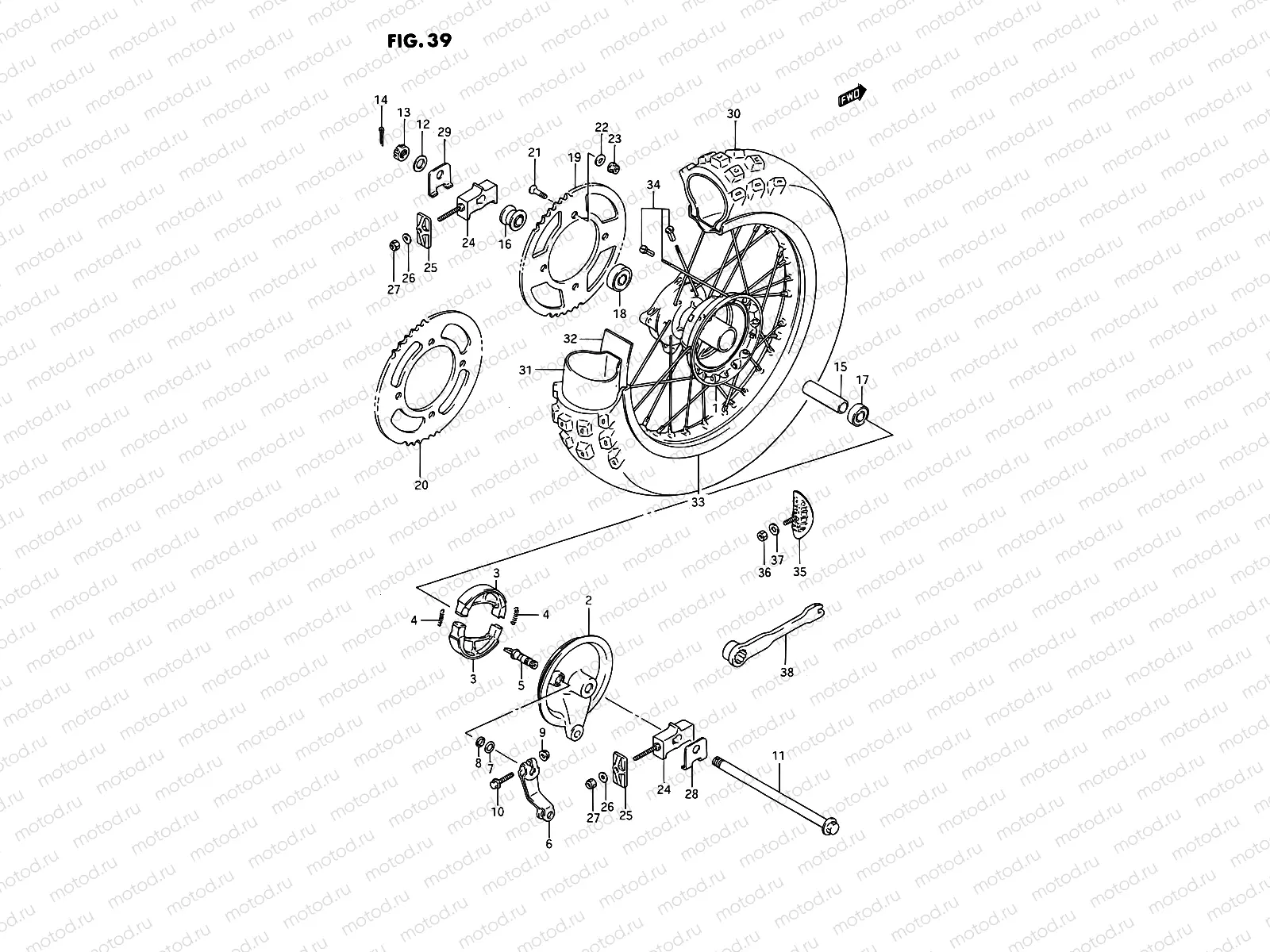
1
64110-02B10
Hub,rear wheel
2
64210-02B10
Panel,rear brak
3
64400-02810
SHOE SET,BRAKE
3 030 ₽/шт
4
09443-07001
SPRING(L:34)
170 ₽/шт
5
54441-20900
CAM,BRAKE
1 263 ₽/шт
6
64451-02B00
Lever,brake cam
7
09160-12011
Уплотнение
97 ₽/шт
8
09280-12001
O RING(D:2.5,ID:11.4)
1 020 ₽/шт
9
08319-31067
Гайка
153 ₽/шт
10
01550-06307
Болт
102 ₽/шт
11
64711-02B01
Axle,rr
12
09160-14062
Шайба
1 720 ₽/шт
13
09141-14004
Гайка
3 210 ₽/шт
14
04111-3030A
Стопор
81 ₽/шт
15
09180-15069
Прокладка
10 170 ₽/шт
16
64740-20521
Spacer,rr axle
17
08123-60027
BEARING
1 139 ₽/шт
18
08123-6202B
Wheel bearing
19
64511-02B01
REAR SPROCKET 50 T
19
64511-02B10
Sprocket, rear (nt:49)
19
64511-02B20
Sprocket, rear (nt:51)
19
64511-02B30
Sprocket, rear (nt:48)
21
09120-08010
БОЛТ
162 ₽/шт
22
08322-01087
Шайба
81 ₽/шт
23
08319-31087
Гайка
178 ₽/шт
24
61410-02B02
ADJUSTER,CHAIN
17 595 ₽/шт
25
61421-02B0V
PLATE,CHAIN ADJUSTER
696 ₽/шт
26
08322-0106A
Шайба
81 ₽/шт
27
08319-2106A
Гайка
114 ₽/шт
28
64712-02B00
WASHER,CHAIN ADJUSTER RH
246 ₽/шт
29
64713-02B00
WASHER,CHAIN ADJUSTER,L
246 ₽/шт
30
65110-02B40
Tire,90/100-14
31
65200-02B40
Tube assy,wheel
32
55261-24010
Protector, inner tube
33
65311-02B00
Rim, wheel (1.60x14)
34
65320-20410
Spoke set
35
65270-43D00
STOPPER,BEAD(1.85)
2 665 ₽/шт
36
08310-00087
Гайка 8MM
81 ₽/шт
37
08322-01087
Шайба
81 ₽/шт

Узлы для