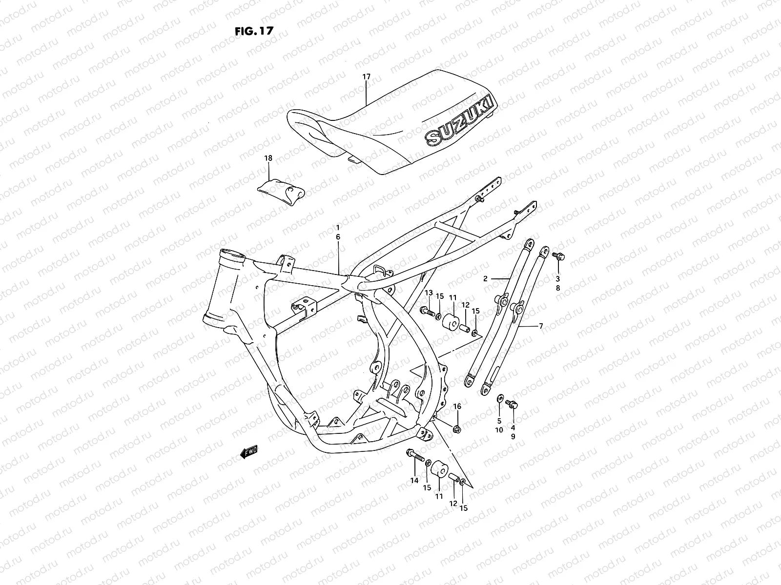
17 - FRAME - SEAT (MODEL H/J/K/L)

17 - FRAME - SEAT (MODEL H/J/K/L)
1
41100-02880-19F
rame set (blue)
2
41670-02B10
Tube, frame side lh
3
09103-08505
BOLT(8X20)
1 840 ₽/шт
4
09100-08284
Болт нижней опоры
136 ₽/шт
5
09160-08120
Шайба
1 330 ₽/шт
11
43911-35B00
Ролик
1 267 ₽/шт
12
09180-08156
Кольцо/шайба
272 ₽/шт
13
09103-08083
BOLT(8X41)
179 ₽/шт
14
09103-08043
БОЛТ
114 ₽/шт
15
09181-08167
Шайба
1 170 ₽/шт
16
08319-31087
Гайка
178 ₽/шт
17
45100-02B21-4UZ
Seat assy (blue)
18
09800-21059
Tool assy

Узлы для