23 - SPEEDOMETER

23 - SPEEDOMETER
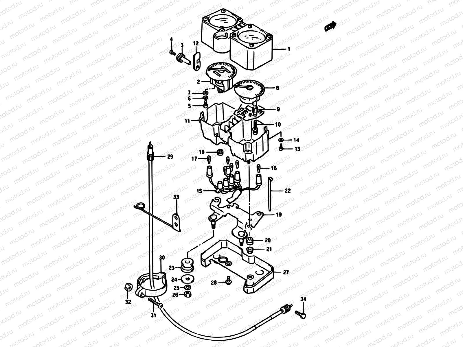
1
34150-14D20
METER HOOD
1
34150-44B20
Hood,meter
2
34120-12D10
SNELHEIDSMETER
2
34120-14A50
Speedometer (mile/kilo)
3
34124-44B30
KNOB,TRIP
559 ₽/шт
4
34184-12D00
SCREW,TRIP KNOB
152 ₽/шт
5
02112-0310A
Болт
1 060 ₽/шт
6
09162-03001
Шайба блокирующая
900 ₽/шт
7
08322-0103B
Шайба
1 370 ₽/шт
8
34220-14A00
Tachometer
9
34187-14A00
Кольцо/шайба
426 ₽/шт
10
02112-74253
Vis
11
34111-44B10
Case,meter
12
34196-14A00
CUSHION,METER
852 ₽/шт
13
03111-0512A
Болт
85 ₽/шт
14
08321-0105A
Пластина замка
81 ₽/шт
15
34170-44B11
SOCKET,METER
10 792 ₽/шт
16
09471-12085-LCP
Bulb (12v3w)
17
09471-12108
ЛАМПА НАКАЛИВАНИЯ
226 ₽/шт
18
34194-14A00
Cap
19
34950-44B10
racket,meter
20
34996-43410
ВТУЛКА УПЛОТНИТЕЛЬНАЯ
170 ₽/шт
21
09160-05037
Шайба
97 ₽/шт
21
08310-0005B
Гайка
1 370 ₽/шт
22
09404-10417
Струбцина L:97
1 330 ₽/шт
23
34956-31001
CUSHION,METER BRACKET
501 ₽/шт
24
09160-08135
Шайба
113 ₽/шт
25
08321-0108B
Пластина замка
81 ₽/шт
26
08310-0008B
Гайка
85 ₽/шт
27
34193-44B00
Cover,lower
28
03541-0410A
Болт
85 ₽/шт
29
34910-12E01
Cable Assy,speedometer
3 740 ₽/шт
30
34938-44B01-019
31
02112-05257
Винт 5X25
82 ₽/шт
32
08310-00057
Гайка
81 ₽/шт
33
34938-44B10
GUIDE,SPEEDOMETER CABLE
34
01500-0516B
Болт
1 060 ₽/шт

Узлы для