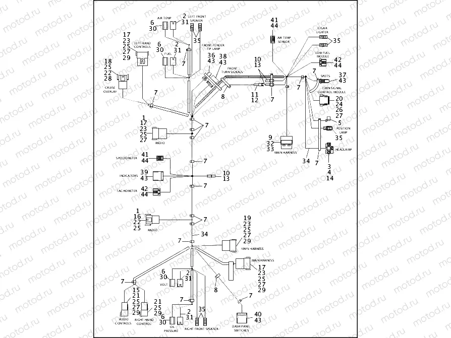
WIRING HARNESS, INTERCONNECT - FLHT (1 OF 2)

WIRING HARNESS, INTERCONNECT - FLHT (1 OF 2)
0
WIRING HARNESS, INTERCONNECT
1
73198-96
CONNECTOR, ANCHOR
2
9839
TERMINAL
3
9847
CONNECTOR, RH
4
9848
CONNECTOR, LH
5
9898
TERMINAL, FLAG
6
9937
TERMINAL .25 FASTON 18-14GA
7
10065
CABLE STRAP
8
10073
CABLE STRAP, ROSE BUD MNT.
9
10147
CLIP, CONNECTOR
10
72038-71A
SOCKET, TERMINAL
11
72039-71A
PIN TERMINAL
12
72043-71A
SINGLE POS. CAP HOUSING
13
72044-71A
SINGLE POS. PLUG HOUSING
14
72056-92
HOUSING, 3-PLACE FEMALE
15
72106-94BK
SEALED PIN HOUSING, BLACK, 6-P
16
72108-94BK
SEALED PIN HOUSING, BLACK, 8-P
17
72109-94BK
SEALED PIN HOUSING, BLACK, 12-
18
72128-94GY
SEALED PIN HOUSING, GREY, 8-PI
19
72129-94GY
SEALED PIN HOUSING, GRAY, 12-P
20
72138-94GY
SEALED SOCKET HOUSING, GRAY, 8
21
72146-94
SECONDARY LOCK, 6 PIN
22
72148-94
SECONDARY LOCK, 8 PIN
23
72149-94
SECONDARY LOCK, 12 PIN
24
72158-94
SOCKET SECONDARY LOCK, 8 WAY
25
72190-94
STAMPED & FORMED PIN

Узлы для