WHEELS DM 001756 » UNCLASSIFIED

WHEELS DM 001756 » UNCLASSIFIED
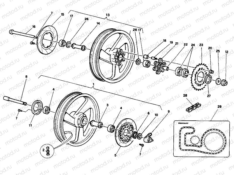
1
50120141A
FRONT WHEEL
2
49720031A
. VALVE, TUBELESS TIRE
3
71420041A
INNER SPACER
4
751612054
Roulement (6204 2RS)
5
8A0062587
Disque de frein
6
88110221A
.RELAY DRIVE RING
7
707008320
pc - Vis
8
81910071A
Front wheel axle (Front)
9
49810071A
SPEEDOMETER GEAR
10
000064471
.SEAL RING
11
16010181AB
Couvrir
12
74811171AA
Nut
13
50220092C
REAR WHEEL
14
71410021A
INNER SPACER
15
49240032A
Disque de frein
16
81910211A
REAR WHEEL SPINDLE (Rear)
17
751633265
Roulement
18
70010591A
WHEEL RUNNER BUSH
19
82110393B
Stud bolt
20
74840241AB
pc - Nut
21
16010191B
REAR SPROCKET FLANGE
22
71010061A
SPINDLE, TAPER
23
49410311A
REAR SPROCKET
24
70250451A
Roulement
25
71310321B
Entretoise
26
707008316
Vis
27
88440011A
.SPRING RING
28
67641331A
.CHAIN
29
67620121A
.FINAL DRIVE KIT

Узлы для