STEERING | STEERING, HANDLEBAR and CONTROLS - A10EA32AA (49ATVHANDLEBAR10TB)

STEERING | STEERING, HANDLEBAR and CONTROLS - A10EA32AA (49ATVHANDLEBAR10TB)
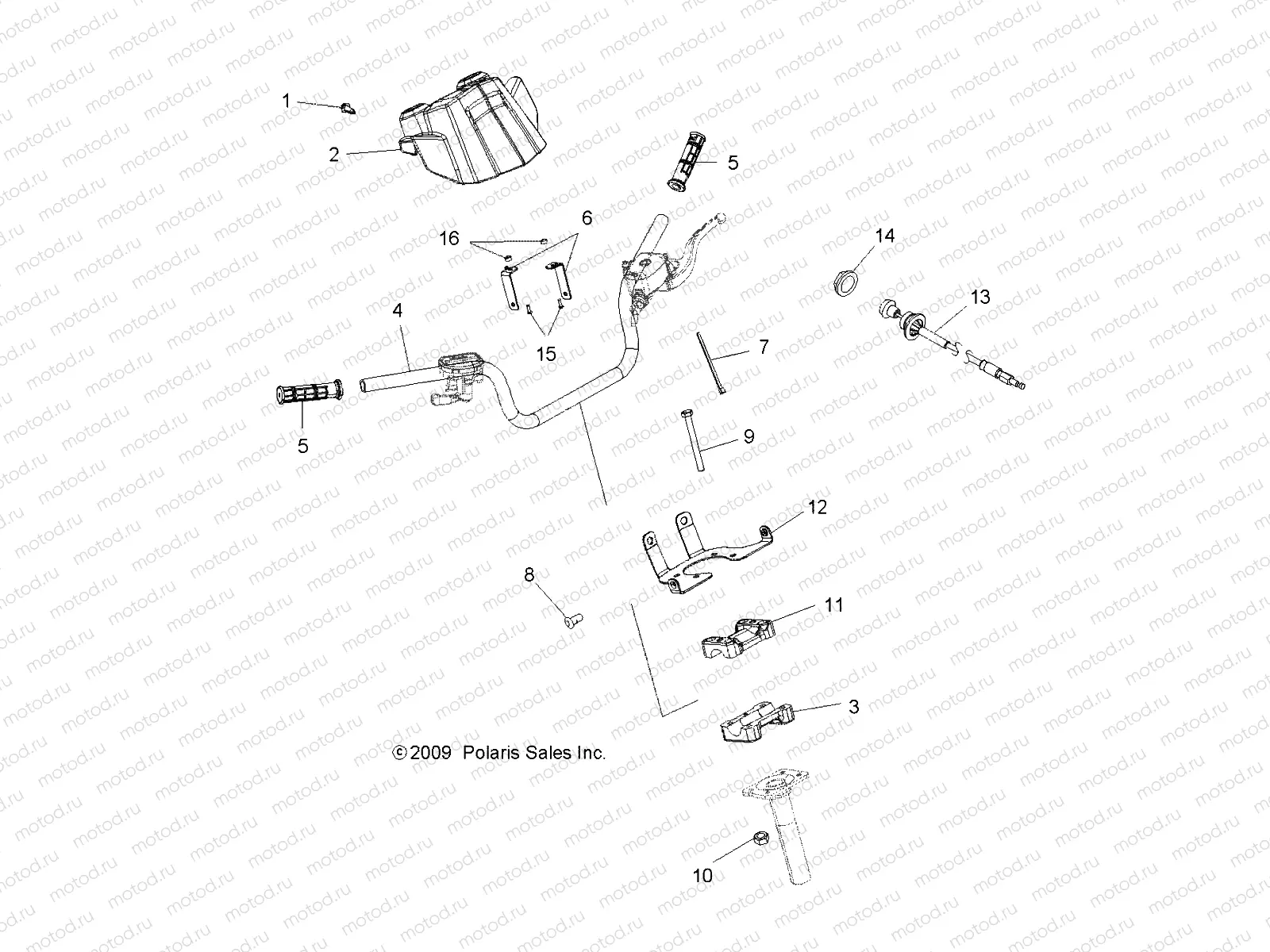
1
7661855
RIVET-TUFLOK .315-.325X.787 (5
2
5438044-070
POD-INSTRUMENT BLK
3
5631973
BLOCK-HANDLEBAR .89 ID
4
5244581-067
TUBE HNDLBR BLK
5
5413578-070
GRIP-HANDLEBAR BLK
6
5250156
MOUNT-POD SUPPORT
7
7080138
CABLE TIE
8
7512024
Vis
9
7515189
Vis
10
7542122
NUT-NYLOK
11
5631972
BLOCK-HANDLEBAR PEG 89 ID
12
5250697-329
BRKT-POD MAIN ECOAT
13
7081008
CABLE-CHOKE FRICTION 40
14
7080922
NUT CHOKE M24X1.5 THD M29 HEX
15
7512054
Vis
16
7556318
SPACER-.26X.50X.31

Узлы для